Curiosii for ever!: Car repair manuals for everyone.

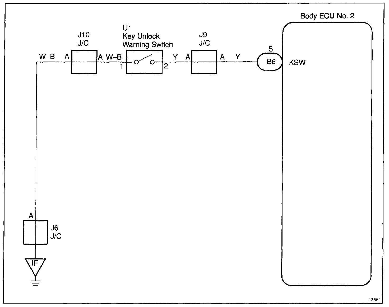
Key Unlock Warning Switch Circuit

CIRCUIT DESCRIPTION

The key unlock warning switch goes on when the ignition key is inserted in the key cylinder and goes off when the ignition key is removed.

The ECU operates the key confinement prevention function while the key unlock warning switch is on.

Wiring Diagram:






Step 1 - 3:




INSPECTION PROCEDURE

HINT: In case of using the hand-held tester, start the inspection from step 1 and in case of not using the hand-held tester, start from step 2.