Curiosii for ever!
: Car repair manuals for everyone.
Home
>>
Lexus
>>
2003
>>
GS 300 L6-3.0L (2JZ-GE)
>>
Repair and Diagnosis
>>
Diagrams
>>
Exploded Views
>>
Engine
>>
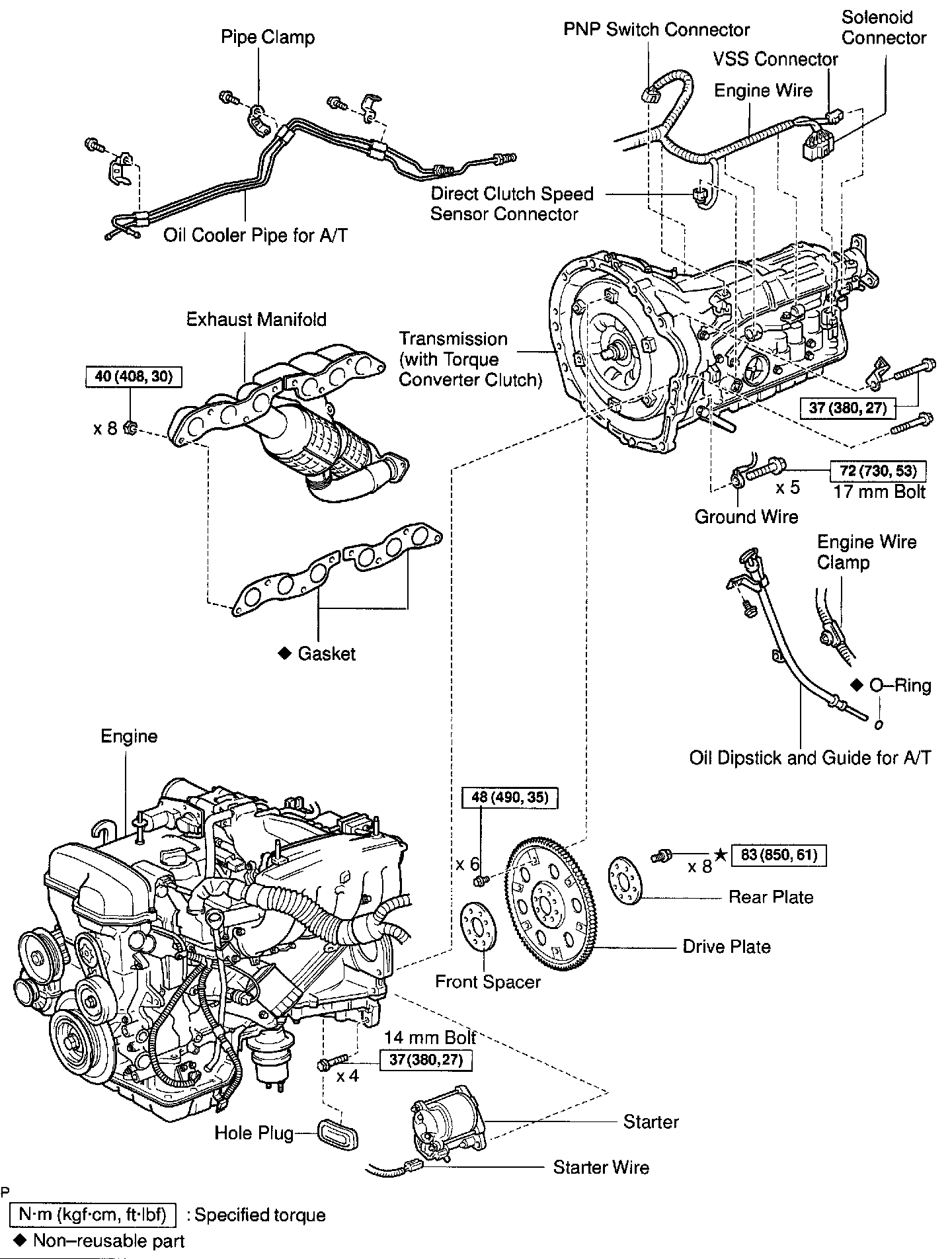
System Diagram
System Diagram
Part 1 Of 3:
Part 1 Of 2:
Part 2 Of 3:
Part 3 Of 3:
ENGINE UNIT REPLACEMENT W/ RELATED COMPONENTS