Component Tests and General Diagnostics
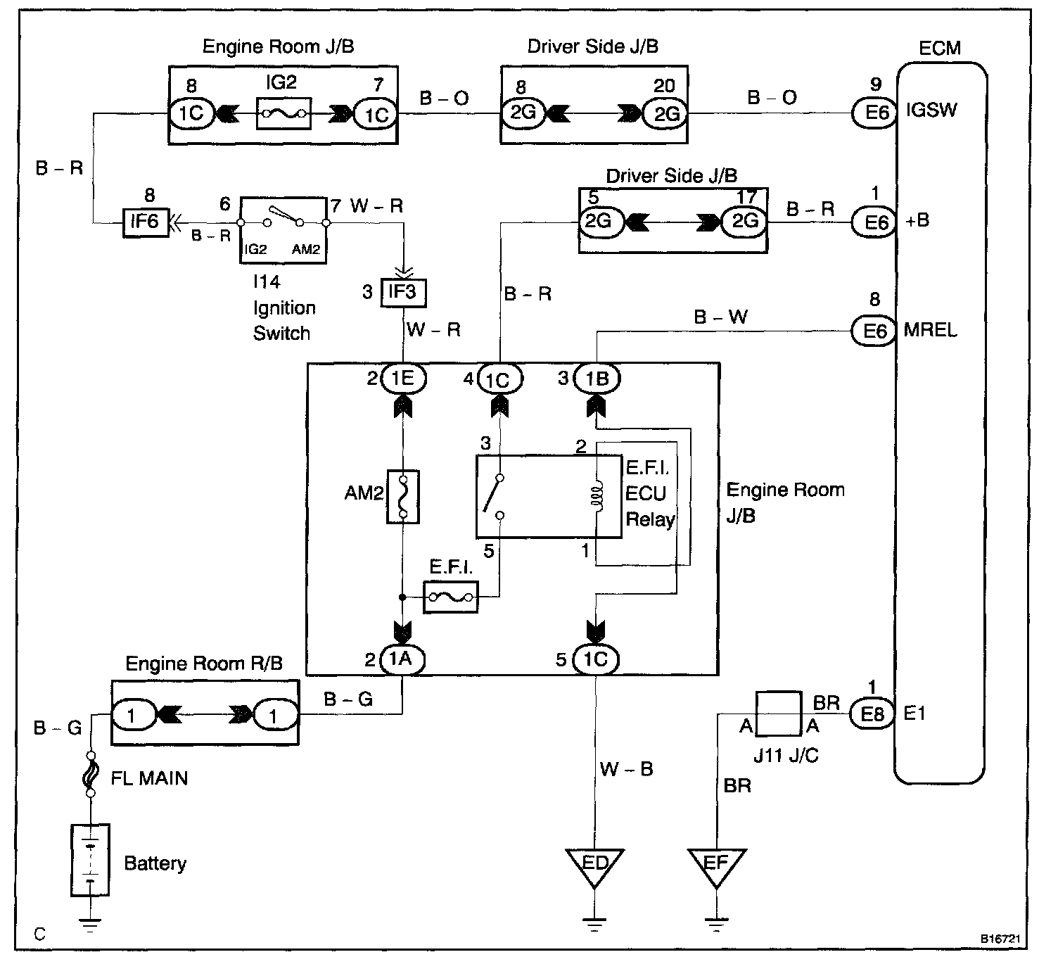
CIRCUIT DESCRIPTIONWhen the ignition switch is turned ON, battery positive voltage is applied to terminal IGSW of the ECM and the E.F.I. ECU relay (Marking: E.F.I.) control circuit in the ECM sends a signal to terminal MREL of the ECM switching on the E.F.I. ECU relay.
This signal causes current to flow to the coil, closing the contacts of the E.F.I. ECU relay and supplying power to terminal +B of the ECM.
Wiring Diagram:
Step 1 - 3:
Step 4 - 6:
Step 7 - 9:
Step 10:
INSPECTION PROCEDURE