Curiosii for ever!
: Car repair manuals for everyone.
Home
>>
Lexus
>>
2002
>>
LS 430 V8-4.3L (3UZ-FE)
>>
Repair and Diagnosis
>>
Cruise Control
>>
Testing and Inspection
>>
Component Tests and General Diagnostics
>>
Distance Control ECU Power Source Circuit
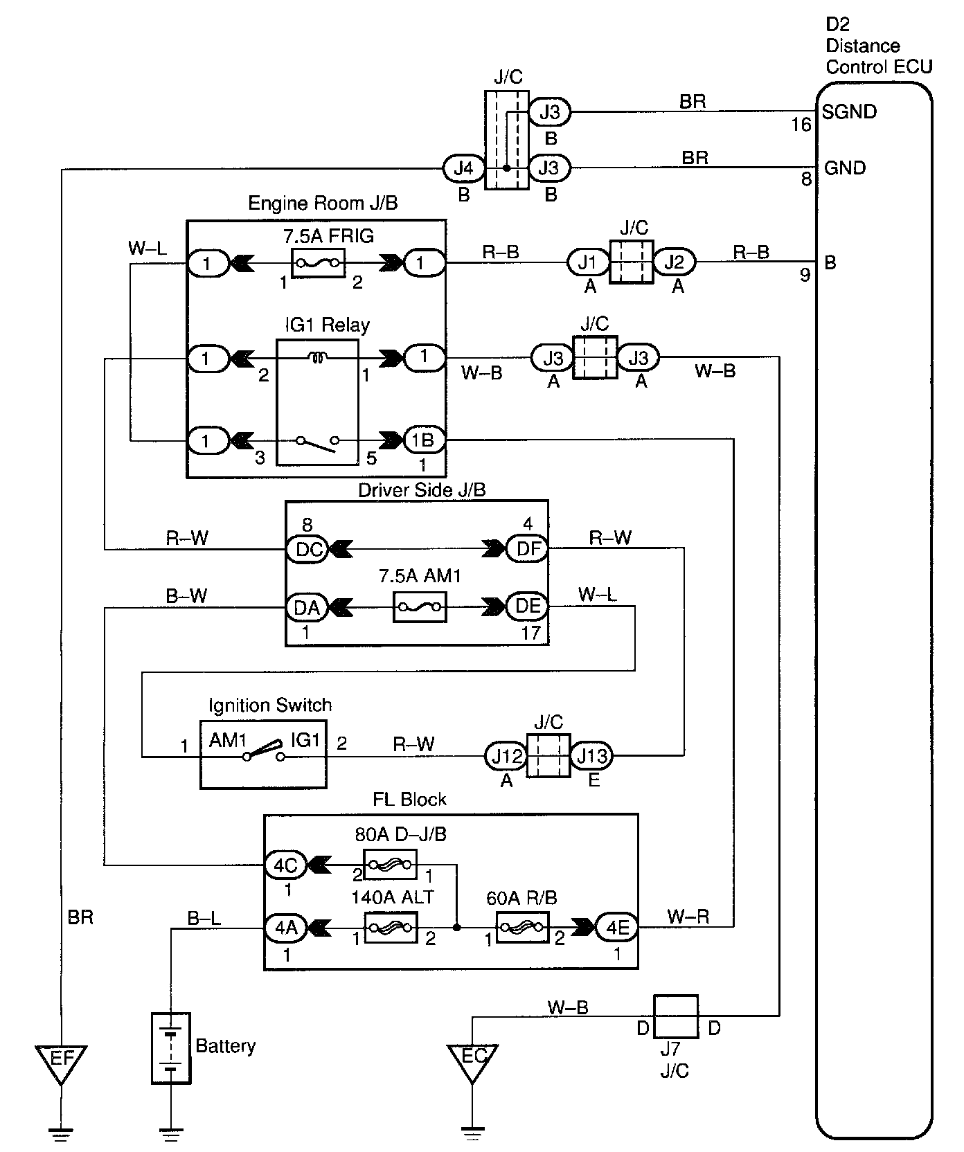
Distance Control ECU Power Source Circuit
CIRCUIT DESCRIPTION
This circuit provides power to operate the distance control ECU.
Wiring Diagram:
Step 1 - 3:
INSPECTION PROCEDURE