Curiosii for ever!
: Car repair manuals for everyone.
Home
>>
Lexus
>>
2002
>>
IS 300 L6-3.0L (2JZ-GE)
>>
Repair and Diagnosis
>>
Diagrams
>>
Exploded Views
>>
Automatic Transmission/Transaxle
>>
System Diagram
>>
Unit Repair
Unit Repair
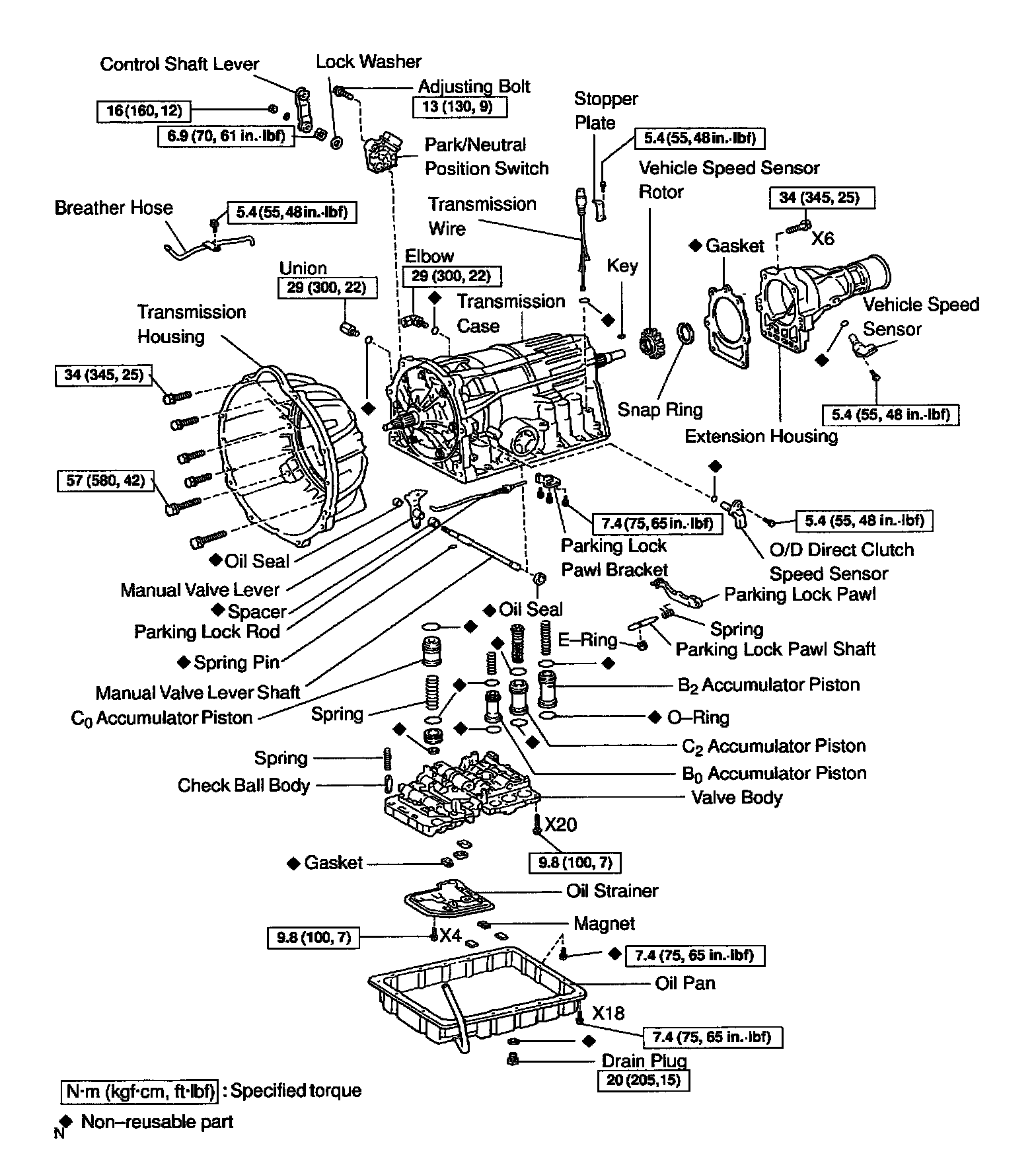
AUTOMATIC TRANSMISSION UNIT OVERHAUL COMPONENTS
Part 1 OF 2
Part 2 of 2