Curiosii for ever!: Car repair manuals for everyone.

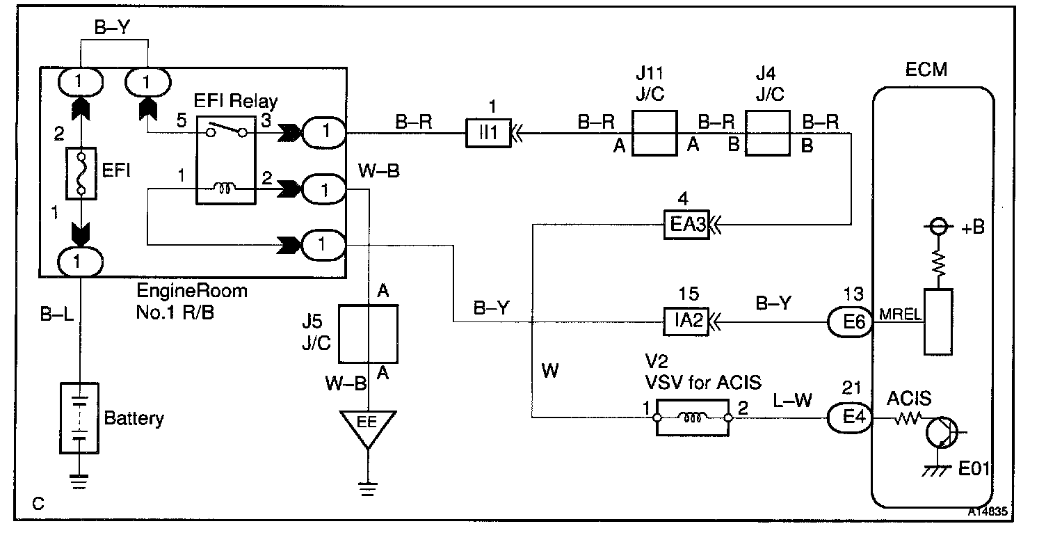
IACV Control Circuit

IACV Control Circuit

CIRCUIT DESCRIPTION




This circuit opens and closes the Intake Air Control Valve (IACV) in response to the engine load in order to increase the intake efficiency (ACIS: Acoustic Control Induction System).
When the engine speed is 2,500 rpm or less or 4,900 rpm or more and the throttle valve opening angle is 60 ° or more, the VSV is OFF, so the is IACV open. All the other times, the ECM turns the VSV ON and closes the IACV.

Wiring Diagram:






INSPECTION PROCEDURE

Step 1 - 3:




LEXUS hand-held tester:

Step 1 - 3:




OBD II scan tool (excluding LEXUS hand-held tester):