Curiosii for ever!
: Car repair manuals for everyone.
Home
>>
Lexus
>>
2002
>>
GS 430 V8-4.3L (3UZ-FE)
>>
Repair and Diagnosis
>>
Body and Frame
>>
Body Control Systems
>>
Testing and Inspection
>>
Component Tests and General Diagnostics
>>
Driver Door Control System
>>
Power Window Master Switch Circuit
Power Window Master Switch Circuit
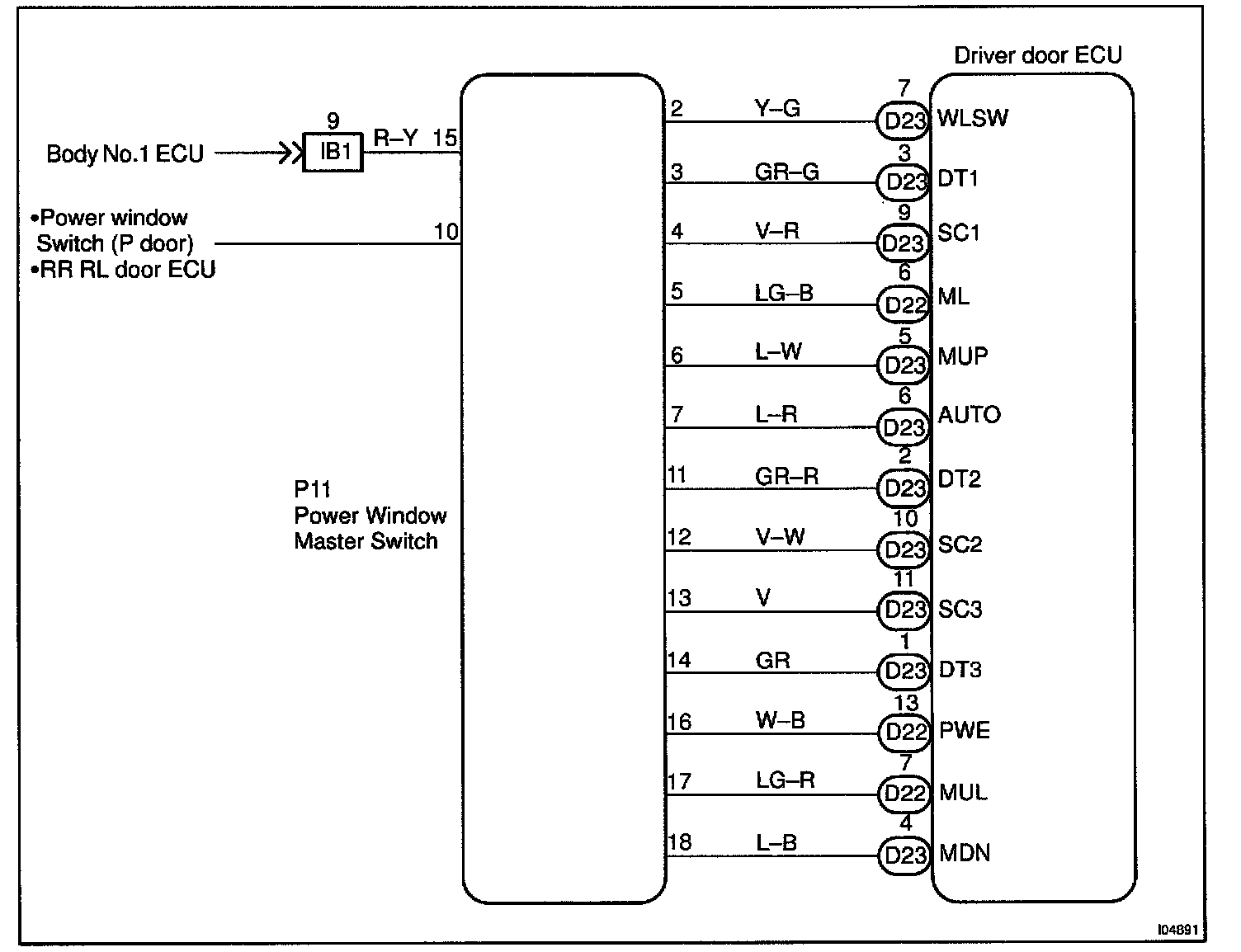
Power window master switch circuit
CIRCUIT DESCRIPTION
Power window master switch circuit can be checked using DTC check.
Wiring Diagram:
Step 1 - 3:
INSPECTION PROCEDURE