Curiosii for ever!
: Car repair manuals for everyone.
Home
>>
Lexus
>>
2002
>>
GS 300 L6-3.0L (2JZ-GE)
>>
Repair and Diagnosis
>>
Diagrams
>>
Exploded Views
>>
Engine
>>
System Diagram
System Diagram
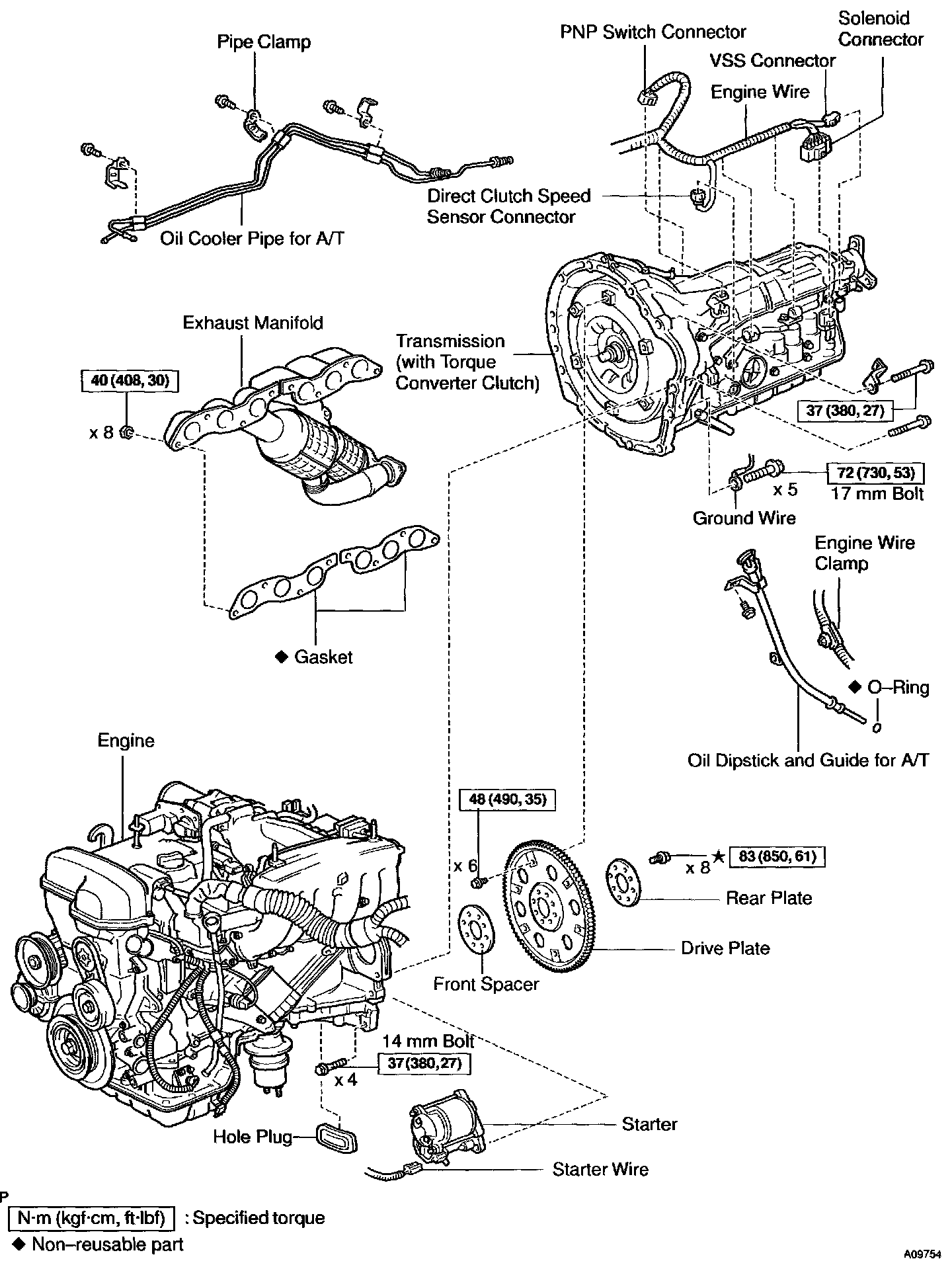
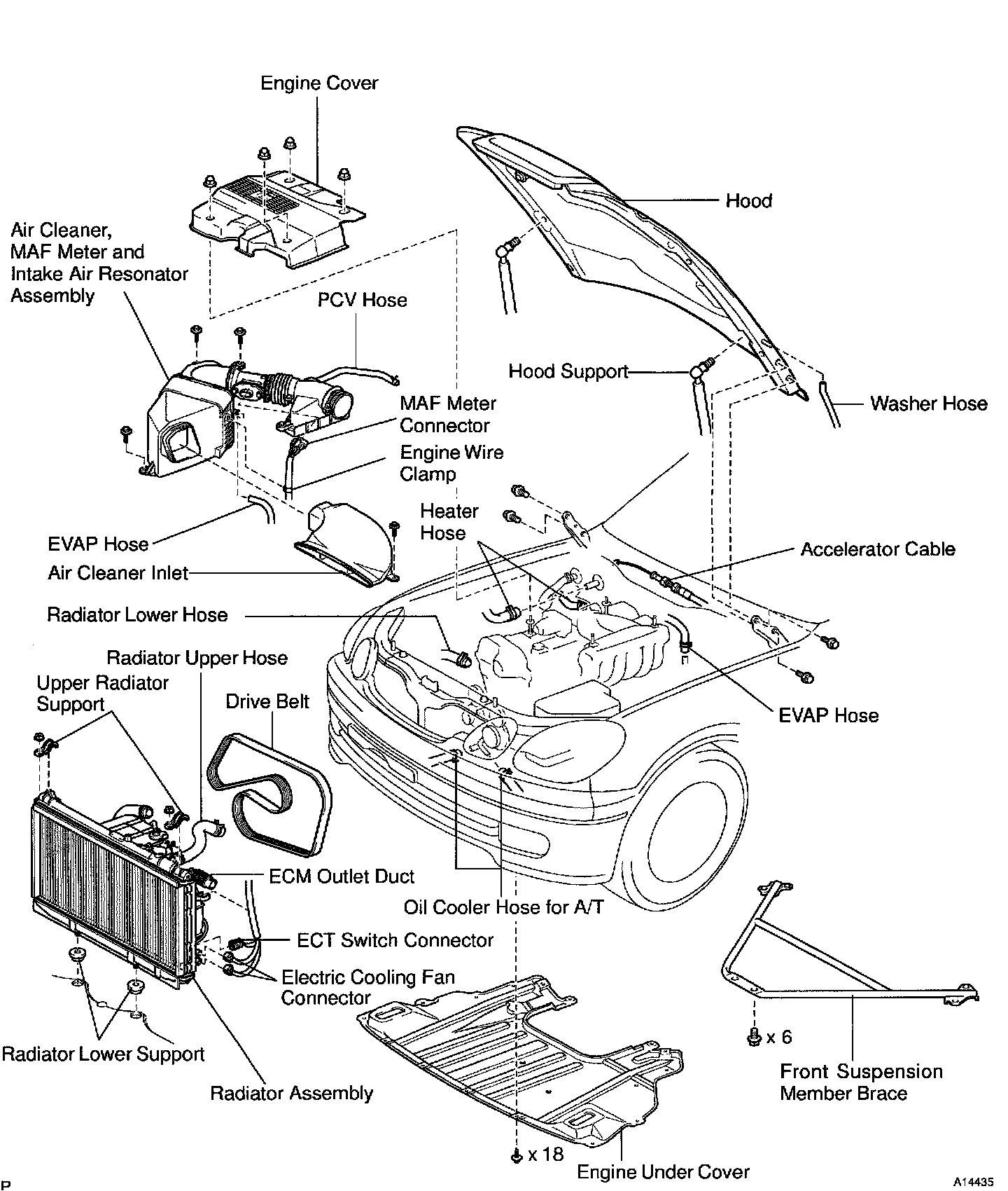
ENGINE UNIT REPLACEMENT W/ RELATED COMPONENTS
Part 1 of 3
Part 2 of 3
Part 3 of 3