Curiosii for ever!
: Car repair manuals for everyone.
Home
>>
Lexus
>>
2002
>>
ES 300 V6-3.0L (1MZ-FE)
>>
Repair and Diagnosis
>>
Powertrain Management
>>
Computers and Control Systems
>>
Oxygen Sensor Relay
>>
Locations
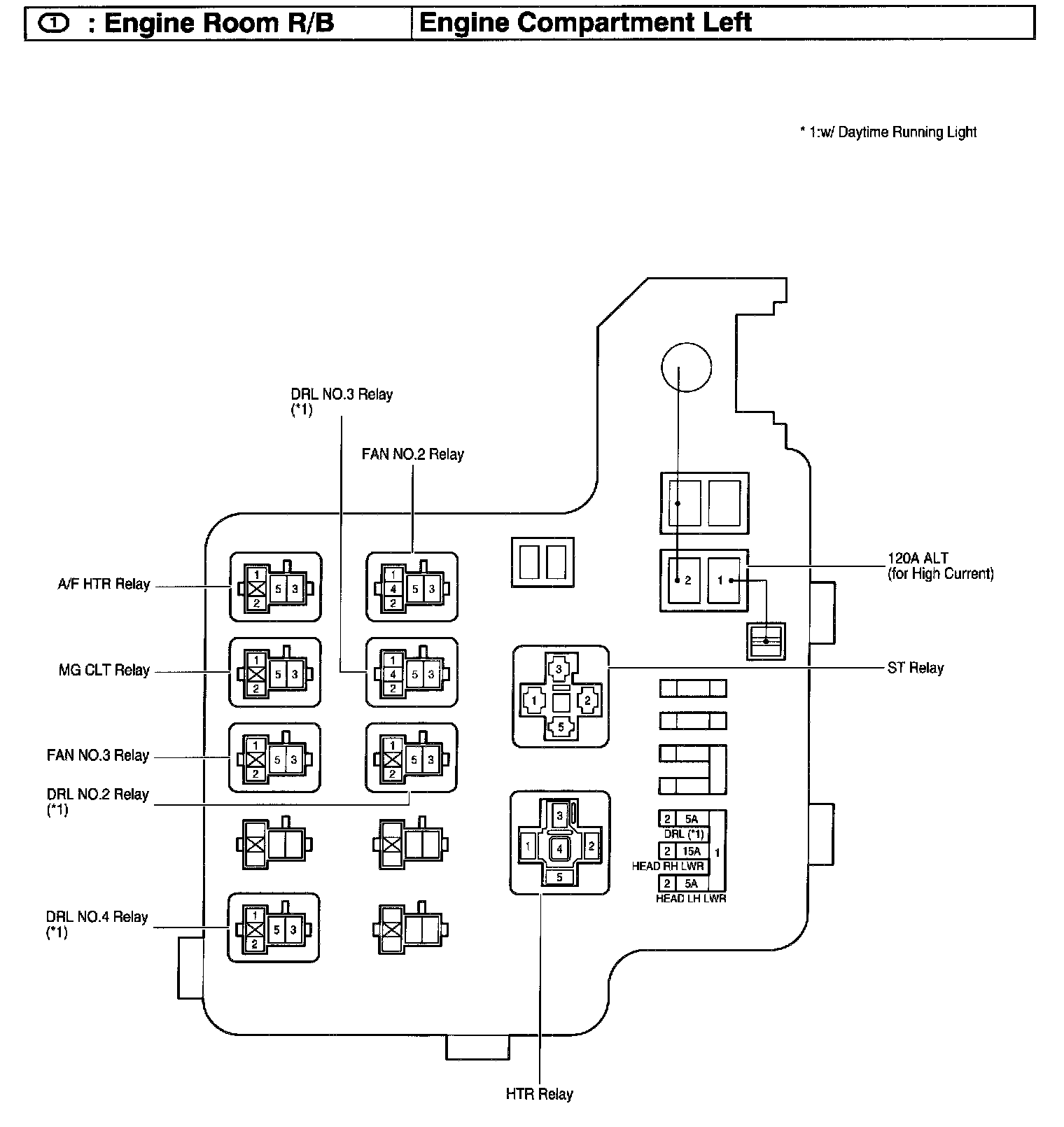
Oxygen Sensor Relay: Locations
Engine Room R/B: