Curiosii for ever!: Car repair manuals for everyone.

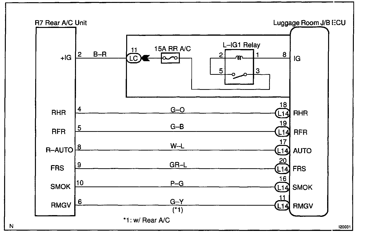
Rear A/C Amplifier Circuit

CIRCUIT DESCRIPTION

SMOK terminal receives the signals from the smoke sensor. When the vehicle has no smoke inside, the sensor outputs the LO signal, and when some smoke, HI signal.

These signals are sent to A/C ECU.

The signals are sent from the A/C ECU and received at the Luggage Room J/B ECU.

The following terminals output these signals to the rear A/C amplifier.
- AUTO terminal: A/C operation condition signal
- RMGV terminal: rear A/C magnetic bulb relay drive demand signal
- RFR terminal: rear A/C heater relay drive demand signal
- FHR terminal: rear A/C heater high relay drive demand signal FRS terminal: rear A/C vent mode demand signal

Wiring Diagram:






Step 1:




INSPECTION PROCEDURE