Curiosii for ever!
: Car repair manuals for everyone.
Home
>>
Lexus
>>
2001
>>
LS 430 V8-4.3L (3UZ-FE)
>>
Repair and Diagnosis
>>
Powertrain Management
>>
Computers and Control Systems
>>
Relays and Modules - Computers and Control Systems
>>
Body Control Module
>>
Testing and Inspection
>>
Component Tests and General Diagnostics
>>
Body No. 3 Control System
>>
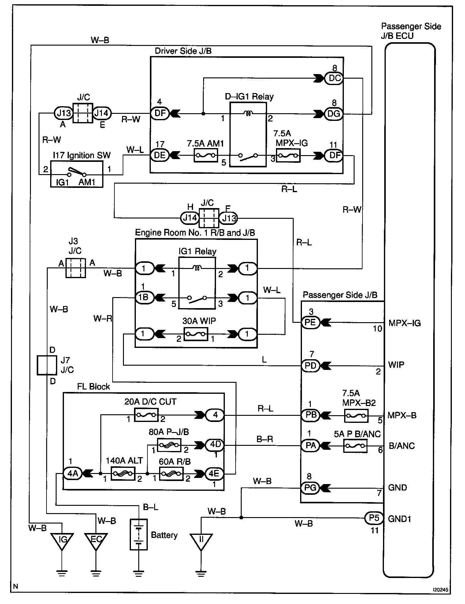
Power Source Circuit
Power Source Circuit
CIRCUIT DESCRIPTION
This circuit provides power to operate the passenger side J/B ECU.
Wiring Diagram:
Steps 1 - 2:
Step 3:
INSPECTION PROCEDURE