Curiosii for ever!
: Car repair manuals for everyone.
Home
>>
Lexus
>>
2001
>>
LS 430 V8-4.3L (3UZ-FE)
>>
Repair and Diagnosis
>>
Powertrain Management
>>
Computers and Control Systems
>>
Relays and Modules - Computers and Control Systems
>>
Body Control Module
>>
Testing and Inspection
>>
Component Tests and General Diagnostics
>>
Body No. 3 Control System
>>
Passenger Seat Belt Tension Reducer Circuit
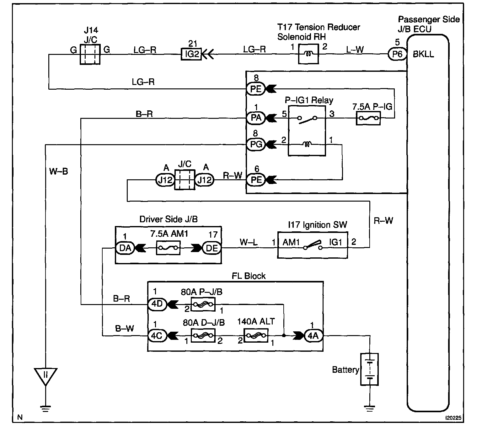
Passenger Seat Belt Tension Reducer Circuit
CIRCUIT DESCRIPTION
Passenger side J/B ECU receives the seat belt buckle switch signal to operate the tension reducer.
Wiring Diagram:
Steps 1 - 2:
INSPECTION PROCEDURE