Curiosii for ever!
: Car repair manuals for everyone.
Home
>>
Lexus
>>
2001
>>
LS 430 V8-4.3L (3UZ-FE)
>>
Repair and Diagnosis
>>
Powertrain Management
>>
Computers and Control Systems
>>
Knock Sensor
>>
Locations
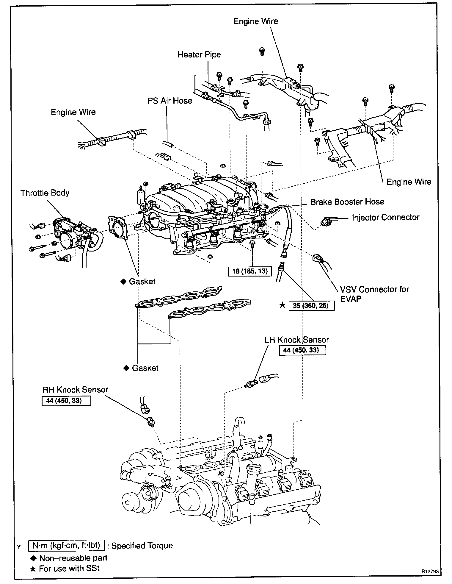
Knock Sensor: Locations
Knock Sensor (Part 1):
Knock Sensor (Part 2):