Curiosii for ever!
: Car repair manuals for everyone.
Home
>>
Lexus
>>
2001
>>
LS 430 V8-4.3L (3UZ-FE)
>>
Repair and Diagnosis
>>
Powertrain Management
>>
Computers and Control Systems
>>
Body Control Module
>>
Testing and Inspection
>>
Component Tests and General Diagnostics
>>
Body No. 5 Control System
>>
Parking Light Circuit
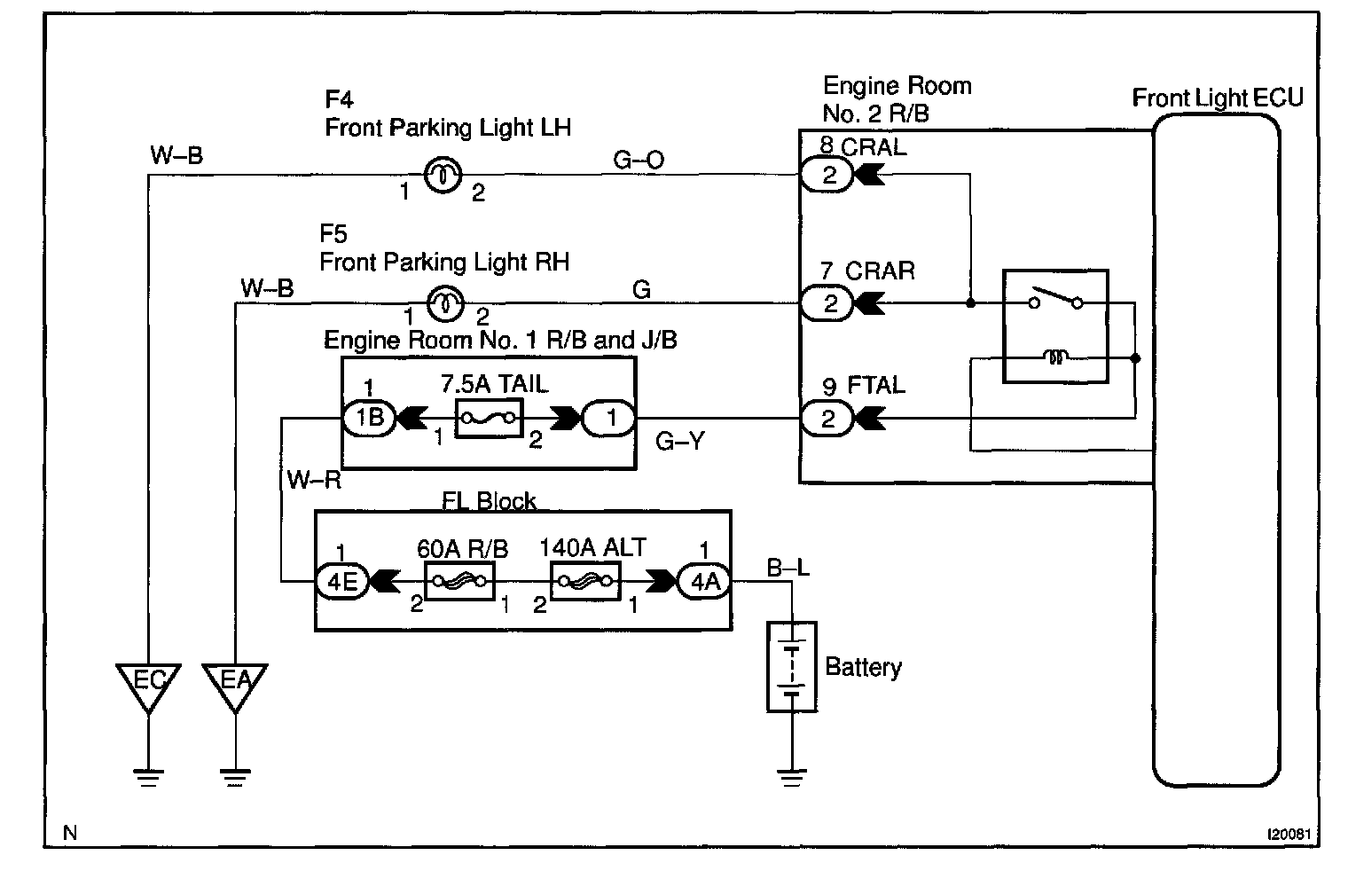
Parking Light Circuit
CIRCUIT DESCRIPTION
Front Light ECU receives turn signal switch information from the combination switch and lights the parking light.
Wiring Diagram:
Steps 1 - 3:
Steps 4 - 5:
INSPECTION PROCEDURE