Curiosii for ever!: Car repair manuals for everyone.

Illumination (Door Courtesy Switch Signal) Circuit

CIRCUIT DESCRIPTION

Receiving the courtesy signal from the door ECU, the Driver side J/B ECU makes the switch illuminations and the meter illumination come on.

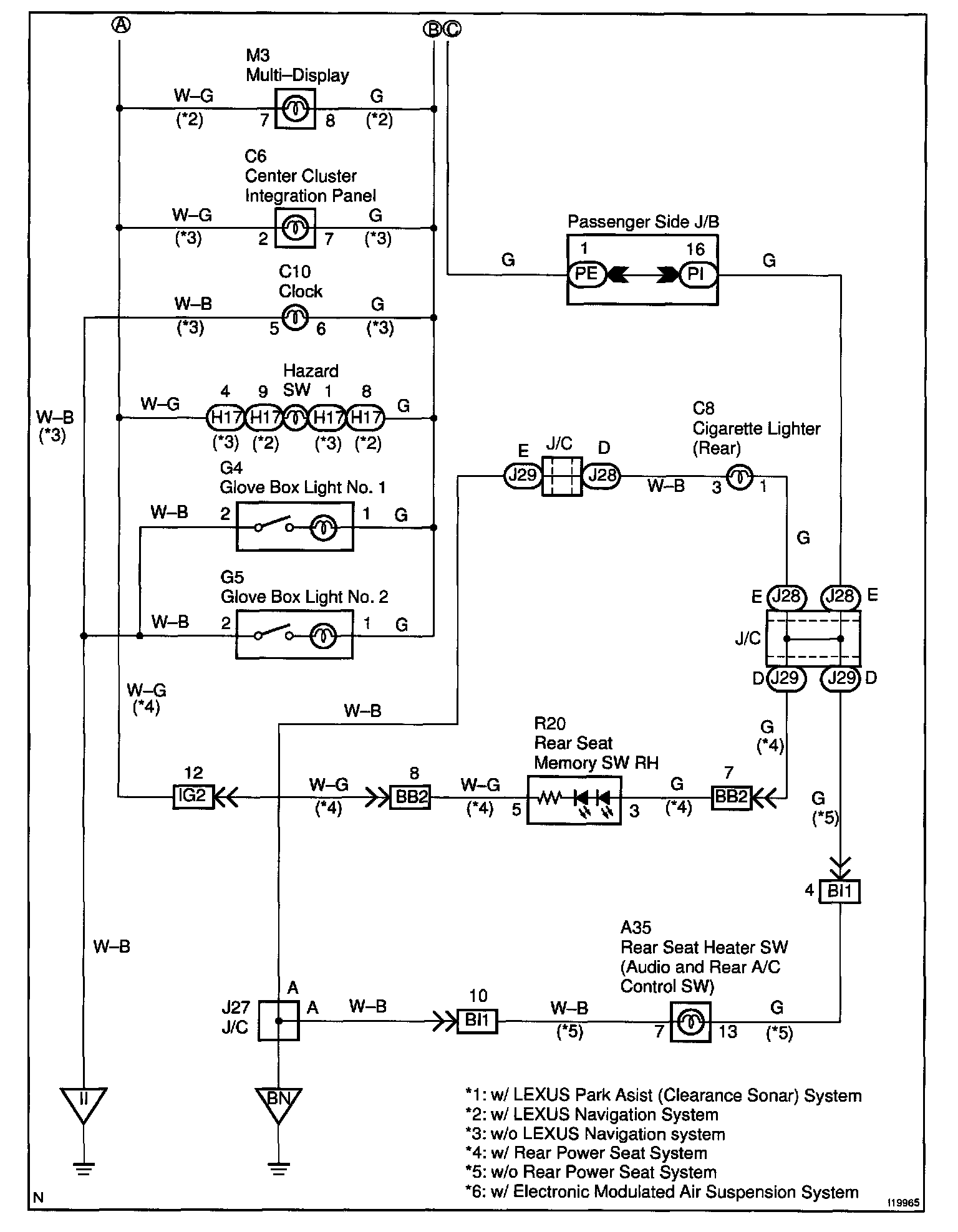
Wiring Diagram (Part 1):




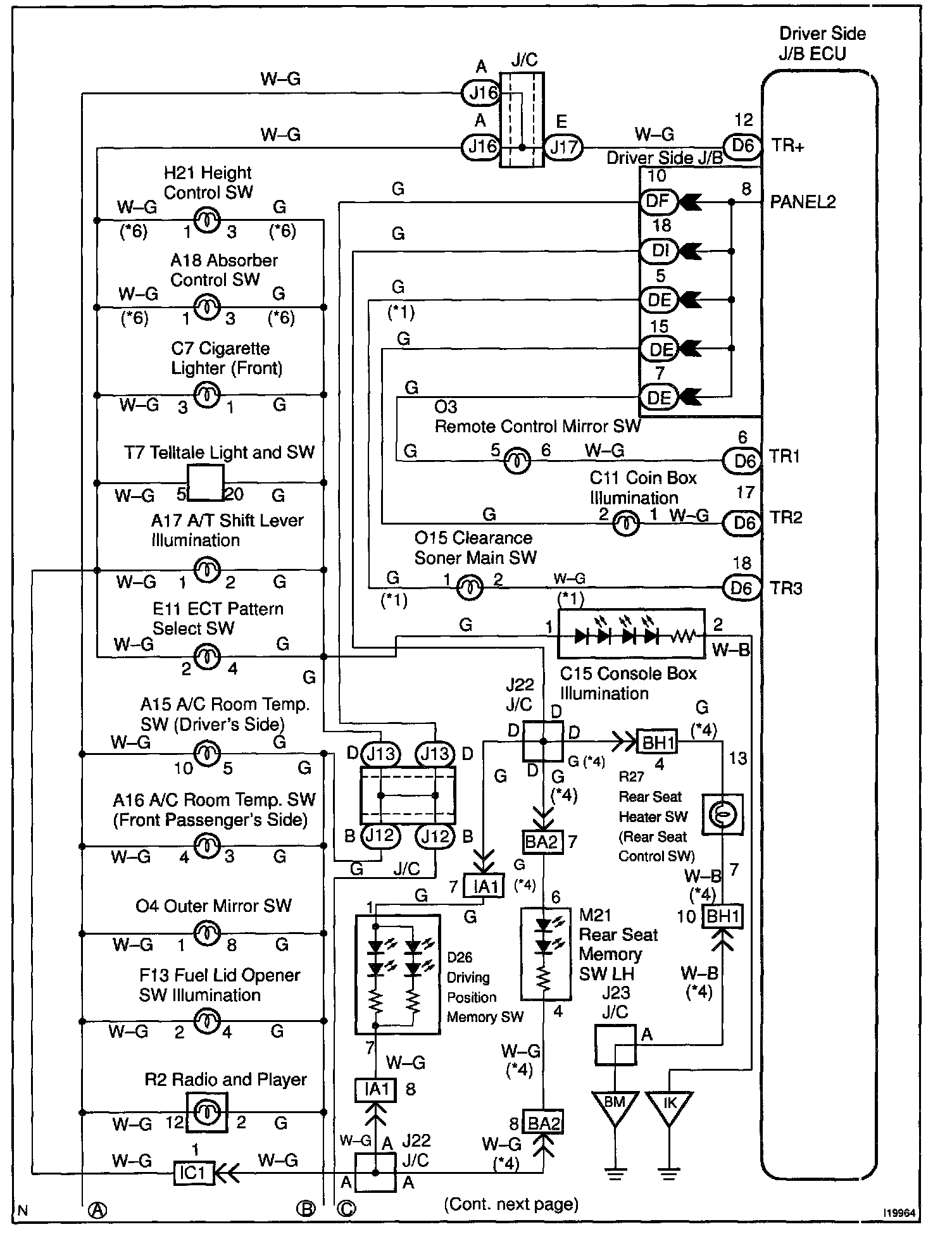
Wiring Diagram (Part 2):






Steps 1 - 3:




INSPECTION PROCEDURE

HINT: In case of using the LEXUS hand-held tester, start the inspection from step 1 and in case of not using the LEXUS hand-held tester, start from step 2.