Curiosii for ever!
: Car repair manuals for everyone.
Home
>>
Lexus
>>
2001
>>
LS 430 V8-4.3L (3UZ-FE)
>>
Repair and Diagnosis
>>
Diagrams
>>
Exploded Views
>>
Engine
>>
Timing Belt
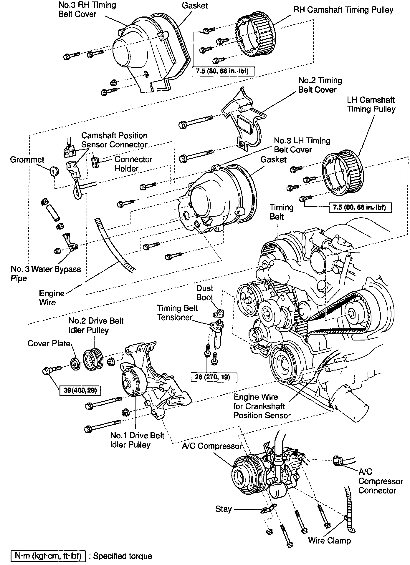
Timing Belt
TIMING BELT
Part 1 of 3
Part 2 of 3
Part 3 of 3