Curiosii for ever!: Car repair manuals for everyone.

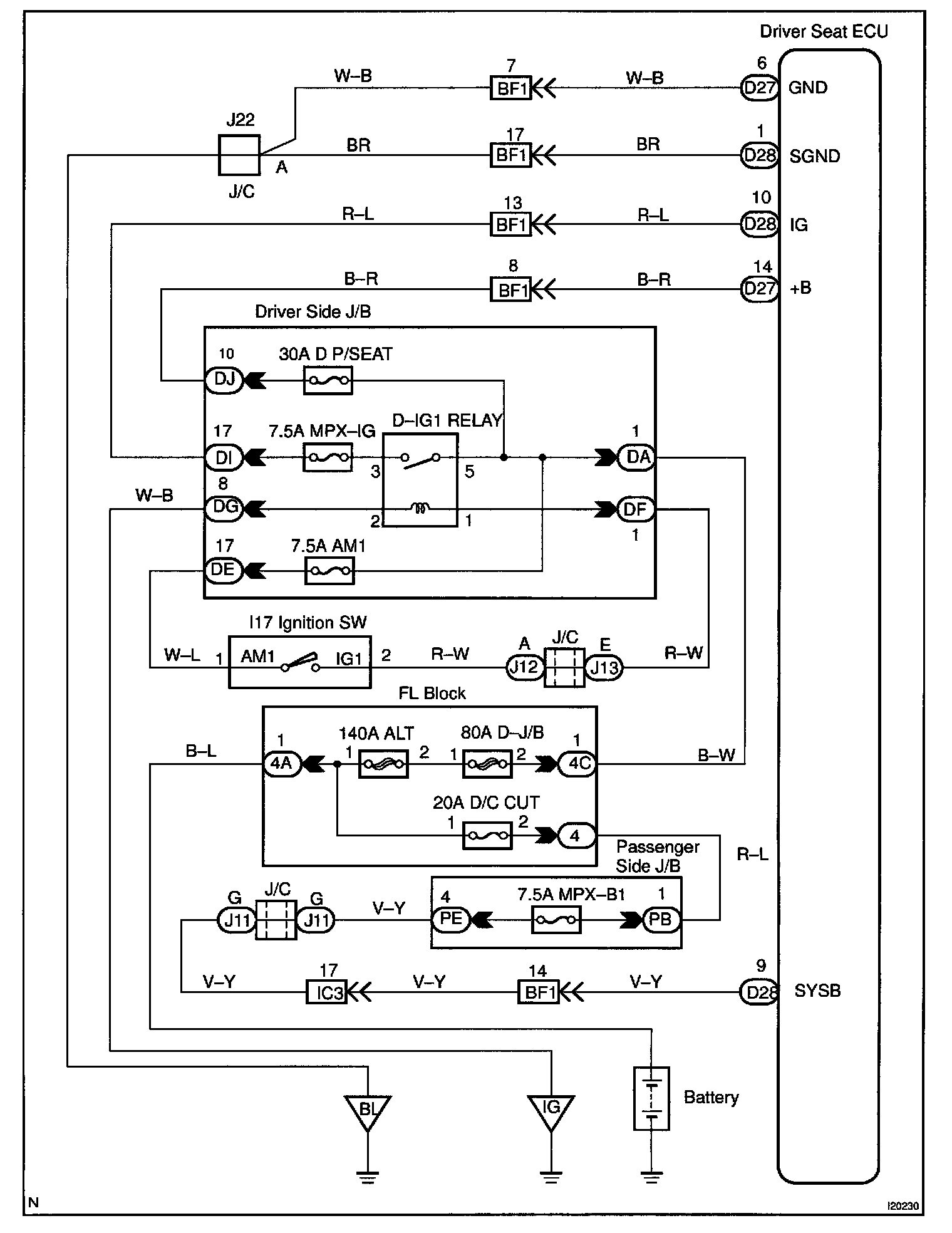
Power Source Circuit

CIRCUIT DESCRIPTION

This circuit provides power to operate the driver seat ECU.
The power seat switch is built into the driver seat ECU.
However, the lumber support switch and the seat cushion switch are separated.

Wiring Diagram:






Steps 1 - 2:




Step 3:




INSPECTION PROCEDURE