Curiosii for ever!
: Car repair manuals for everyone.
Home
>>
Lexus
>>
2001
>>
LS 430 V8-4.3L (3UZ-FE)
>>
Repair and Diagnosis
>>
Body and Frame
>>
Body Control Systems
>>
Testing and Inspection
>>
Component Tests and General Diagnostics
>>
Passenger Door Control System
>>
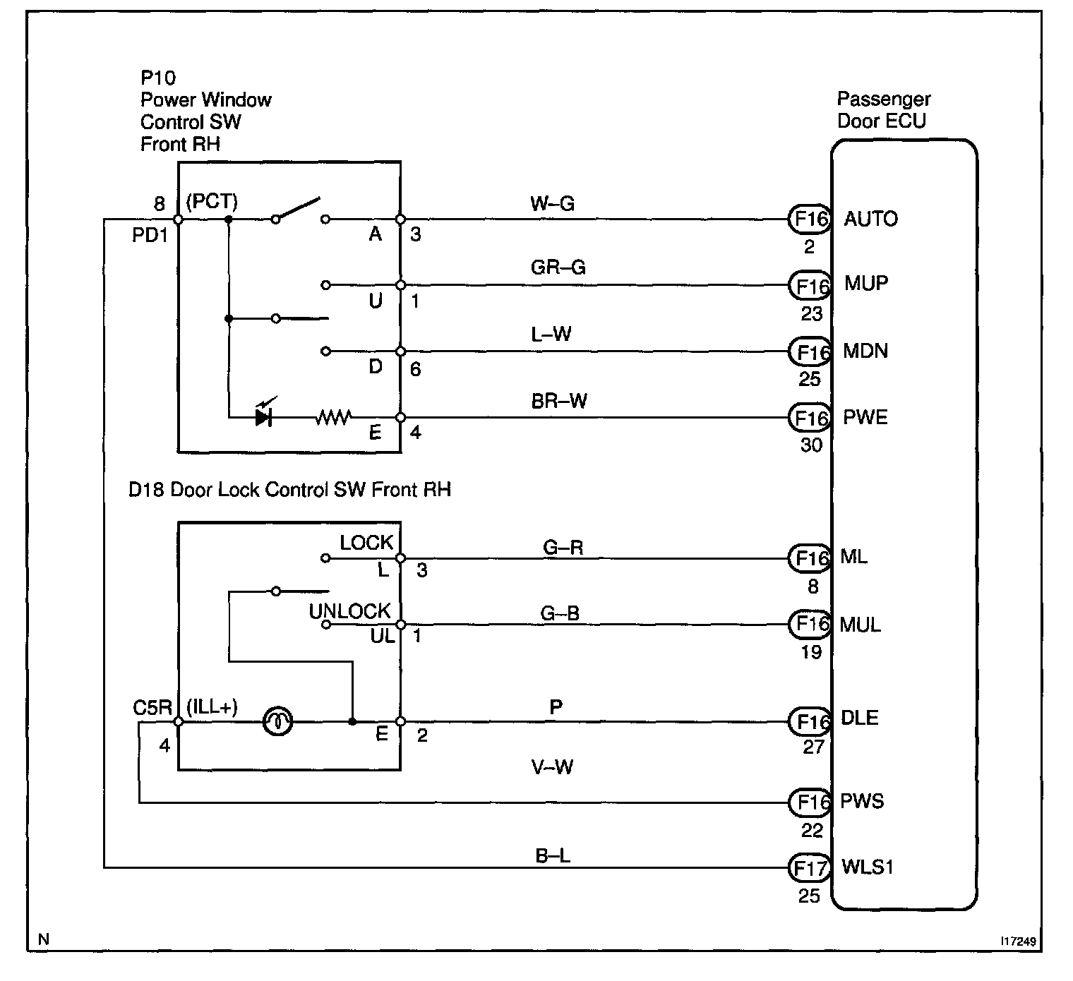
Power Window Switch and Door Lock Control Switch Circuit
Power Window Switch and Door Lock Control Switch Circuit
CIRCUIT DESCRIPTION
Each terminal sends the following information to Passenger door ECU.
Wiring Diagram:
Steps 1 - 4:
Step 5:
INSPECTION PROCEDURE