Curiosii for ever!: Car repair manuals for everyone.

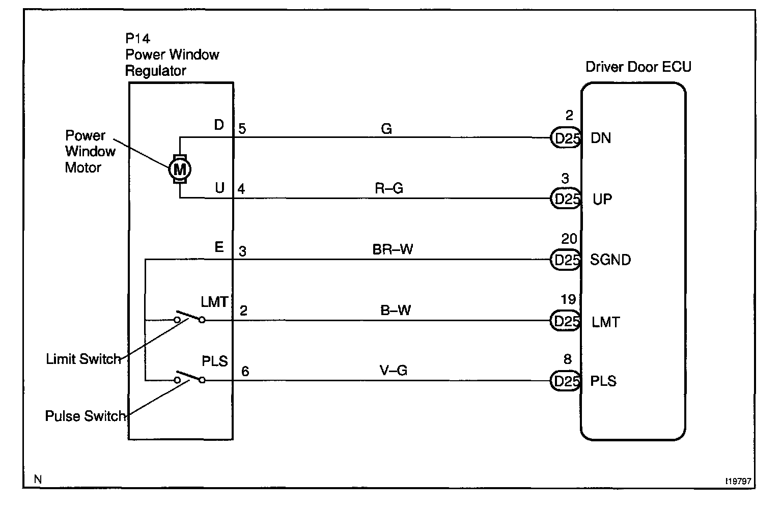
Power Window Motor Circuit

CIRCUIT DESCRIPTION

The Driver Door ECU receives the driver door power window switch signal from the master switch to operate the power window motor.

Wiring Diagram:






Steps 1 - 3:




INSPECTION PROCEDURE

HINT: In case of using the LEXUS hand-held tester, start the inspection from step 1 and in case of not using the LEXUS hand-held tester, start from step 2.