Curiosii for ever!
: Car repair manuals for everyone.
Home
>>
Lexus
>>
2001
>>
LS 430 V8-4.3L (3UZ-FE)
>>
Repair and Diagnosis
>>
Body and Frame
>>
Body Control Systems
>>
Testing and Inspection
>>
Component Tests and General Diagnostics
>>
Driver Door Control System
>>
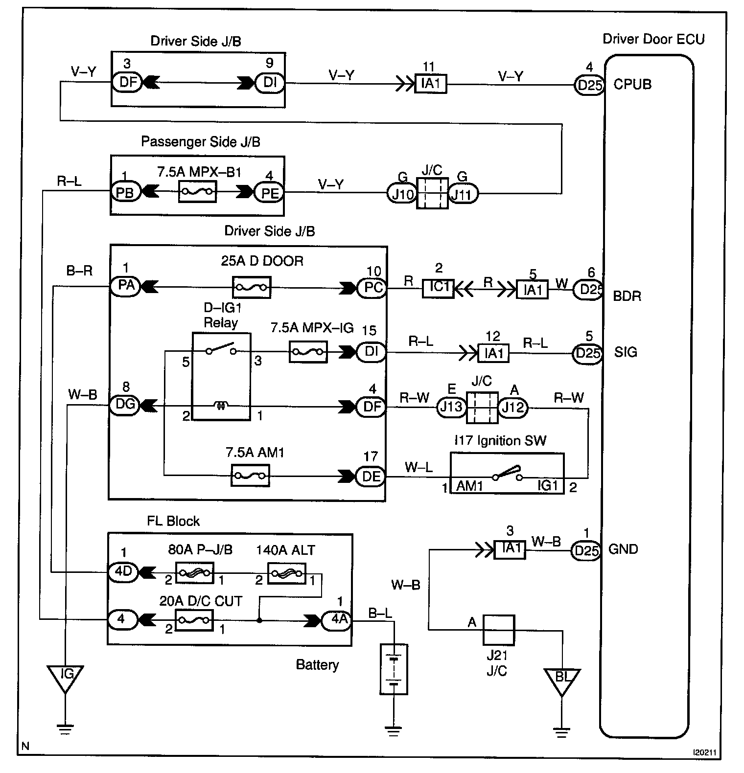
Power Source Circuit
Power Source Circuit
CIRCUIT DESCRIPTION
This circuit supplies power to operate the driver door ECU.
Wiring Diagram:
Steps 1 - 2:
Step 3:
INSPECTION PROCEDURE