Curiosii for ever!
: Car repair manuals for everyone.
Home
>>
Lexus
>>
2001
>>
IS 300 L6-3.0L (2JZ-GE)
>>
Repair and Diagnosis
>>
Powertrain Management
>>
Computers and Control Systems
>>
Body Control Module
>>
Testing and Inspection
>>
Component Tests and General Diagnostics
>>
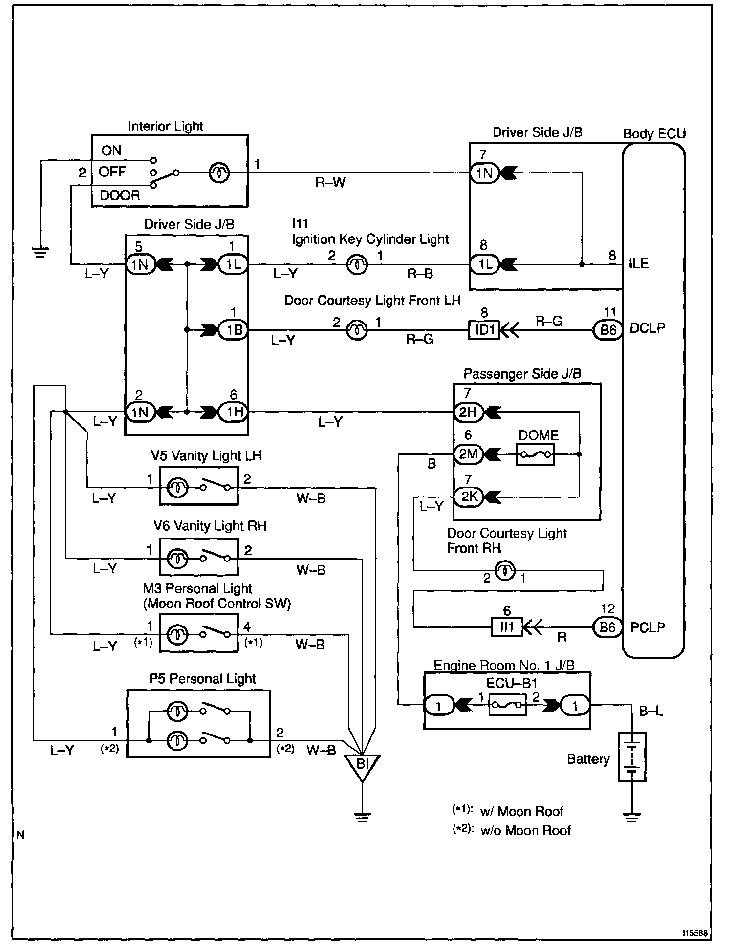
Illumination Circuit
Illumination Circuit
CIRCUIT DESCRIPTION
Receiving the courtesy signal from the Body ECU will make the interior light, ignition light, and courtesy light come on.
Wiring Diagram:
Steps 1 - 3:
INSPECTION PROCEDURE