Curiosii for ever!: Car repair manuals for everyone.

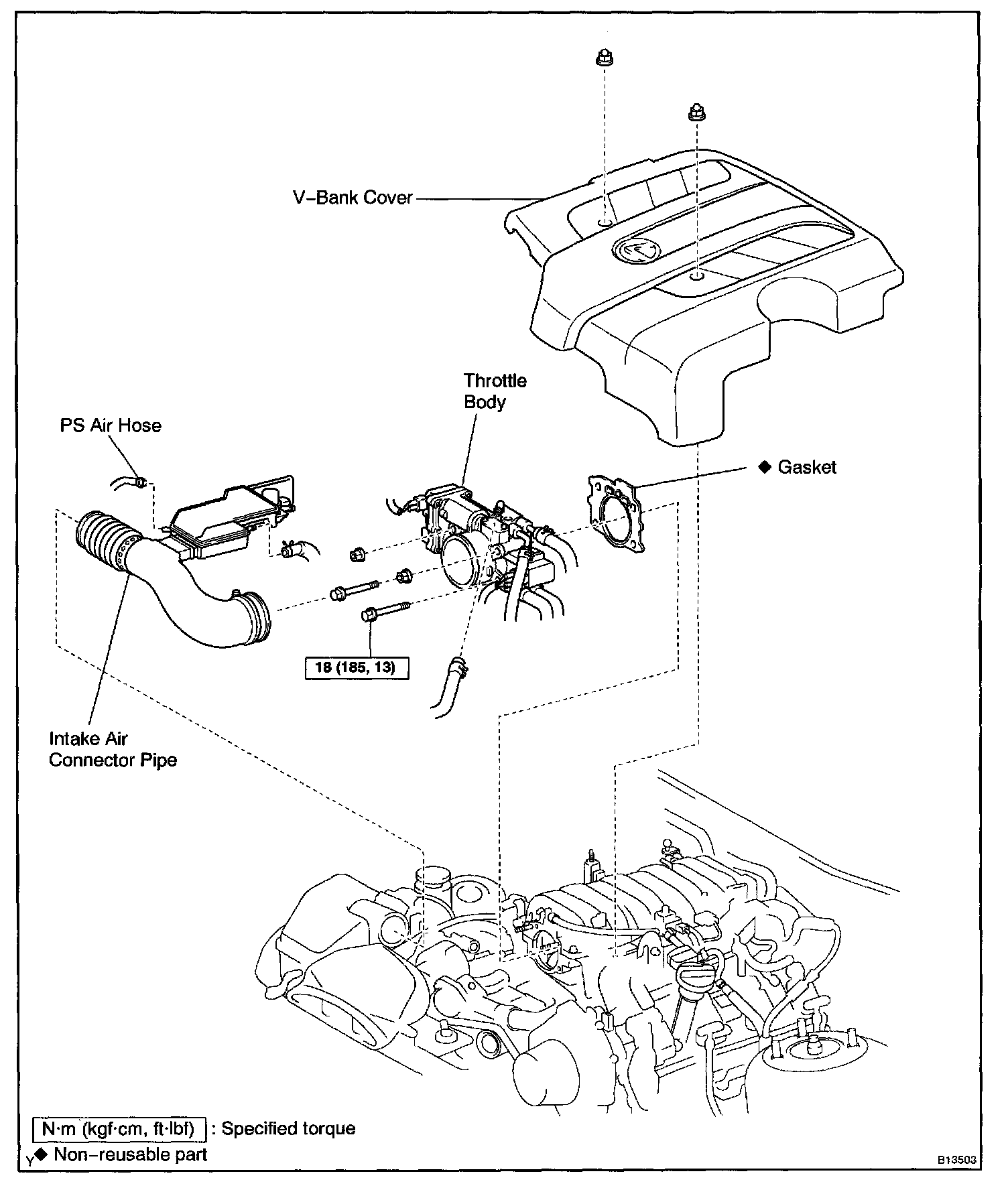
Variable Induction System

VSV For Acoustic Control Induction System (ACIS) (Part 1):



VSV For Acoustic Control Induction System (ACIS) (Part 2):



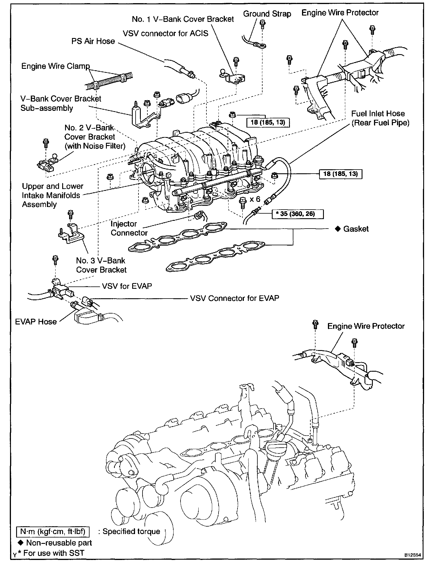
Acoustic Control Induction System (ACIS) (Part 4):



Acoustic Control Induction System (ACIS) (Part 1):



Acoustic Control Induction System (ACIS) (Part 2):