Curiosii for ever!: Car repair manuals for everyone.

Confirmation Driving Pattern


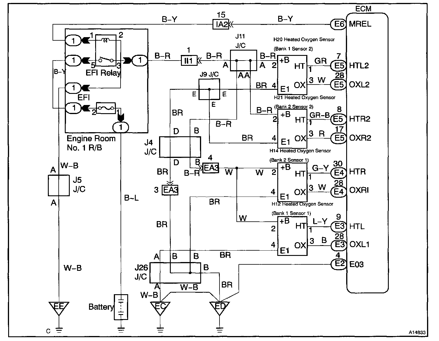
Wiring Diagram:






CONFIRMATION DRIVING PATTERN

Confirmation Driving Pattern:




a. Connect the LEXUS hand-held tester to the DLC3.
b. Switch the LEXUS hand-held tester from normal mode to check mode.
c. Start the engine and let the engine idle for 100 sec. or more.
d. Drive the vehicle at 40 km/h (24 mph) or more for 20 sec. or more.
e. Let the engine idle for 20 sec. or more.
f. Let the engine idle for 30 sec.

HINT: If a malfunction exists, the MIL will light up during step (f).

NOTE: If the conditions in this test are not strictly followed, detection of the malfunction will not be possible. If you do not have a LEXUS hand-held tester, turn the ignition switch OFF after performing steps (c) to (f), then perform steps (c) to (f) again.