Curiosii for ever!: Car repair manuals for everyone.

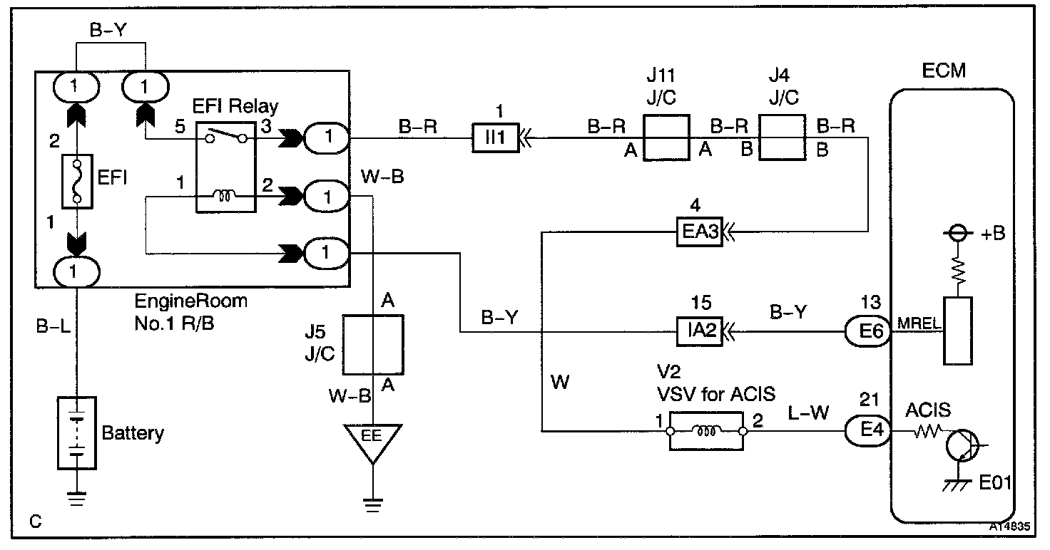
IACV Control Circuit

IACV (Intake Air Control Valve) Circuit

CIRCUIT DESCRIPTION




This circuit opens and closes the Intake Air Control Valve (IACV) in response to the engine load in order to increase the intake efficiency (ACIS: Acoustic Control Induction System).

When the engine speed is 2,500 rpm or less or 4,900 rpm or more and the throttle valve opening angle is 60 ° or more, the VSV is OFF, so the is IACV open. All the other times, the ECM turns the VSV ON and closes the IACV

Wiring Diagram:






INSPECTION PROCEDURE

Steps 1 - 3:




LEXUS hand-held tester

Steps 1 - 3:




OBD II scan tool (excluding LEXUS hand-held tester)