Curiosii for ever!: Car repair manuals for everyone.

Luggage Compartment Door Lock and Unlock Switch Circuit

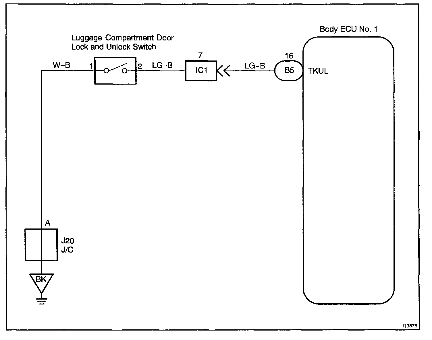
Body No.1 Control System / Luggage Compartment Door Lock and Unlock Switch Circuit

CIRCUIT DESCRIPTION
The luggage compartment door lock and unlock switch goes on when the luggage compartment door key cylinder is turned to the unlock side with the key.

Wiring Diagram:






Steps 1 - 3:




INSPECTION PROCEDURE

HINT: In case of using the LEXUS hand-held tester, start the inspection from step 1 and in case of not using the LEXUS hand-held tester, start from step 2.