Curiosii for ever!: Car repair manuals for everyone.

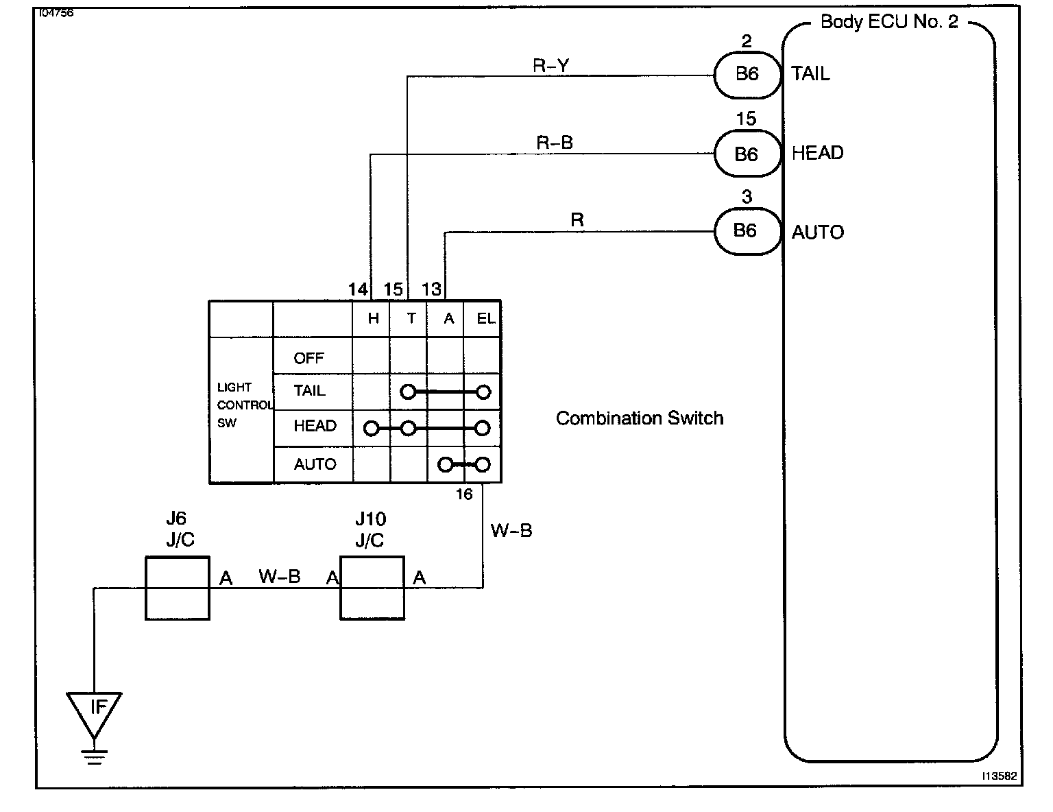
Light Control Switch Circuit

Body No.2 Control System / Light Control Switch Circuit

Wiring Diagram:






Steps 1 - 2:




Step 3:




INSPECTION PROCEDURE

HINT: In case of using the LEXUS hand-held tester, start the inspection from step 1 and in case of not using the LEXUS hand-held tester, start from step 2.