Curiosii for ever!: Car repair manuals for everyone.

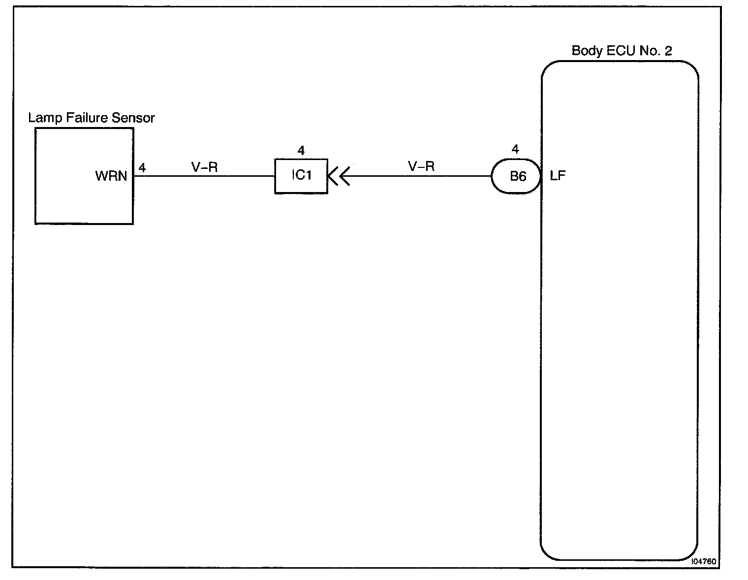
Lamp Failure Sensor Circuit

Body No.2 Control System /

CIRCUIT DESCRIPTION

Lamp failure sensor detects a wire break of the stop light, high mount stop light and tail light and sends that signal to the Body ECU No.2.

Wiring Diagram:






Steps 1 - 2:




INSPECTION PROCEDURE

HINT: In case of using the LEXUS hand-held tester, start the inspection from step 1 and in case of not using the LEXUS hand-held tester, start from step 2.