Curiosii for ever!
: Car repair manuals for everyone.
Home
>>
Lexus
>>
2001
>>
GS 430 V8-4.3L (3UZ-FE)
>>
Repair and Diagnosis
>>
Powertrain Management
>>
Computers and Control Systems
>>
Body Control Module
>>
Testing and Inspection
>>
Component Tests and General Diagnostics
>>
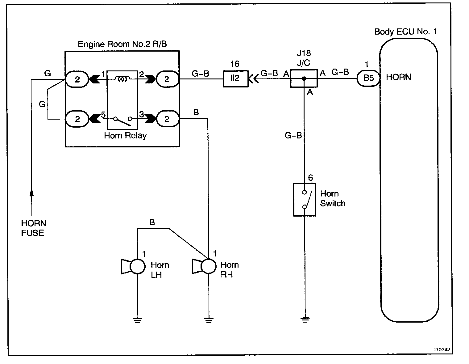
Horn Circuit
Horn Circuit
Body No.1 Control System / Horn Circuit
CIRCUIT DESCRIPTION
The horn is connected to the Body ECU No.1 and activated by the Body ECU No.1 during warning of the theft deterrent system.
Wiring Diagram:
Steps 1 - 2:
INSPECTION PROCEDURE