Curiosii for ever!
: Car repair manuals for everyone.
Home
>>
Lexus
>>
2001
>>
GS 430 V8-4.3L (3UZ-FE)
>>
Repair and Diagnosis
>>
Diagrams
>>
Exploded Views
>>
Engine
>>
Cylinder Head Assembly
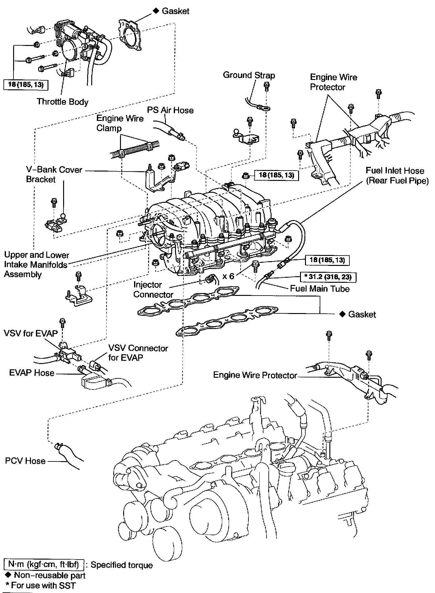
Cylinder Head Assembly
CYLINDER HEAD REPLACEMENT AND OVERHAUL W/ RELATED COMPONENTS
Part 1 of 9
Part 2 of 9
Part 3 of 9
Part 4 of 9
Part 5 of 9
Part 6 of 9
Part 7 of 9
Part 8 of 9
Part 9 of 9