Curiosii for ever!: Car repair manuals for everyone.

Jam Protection Limit Switch Circuit

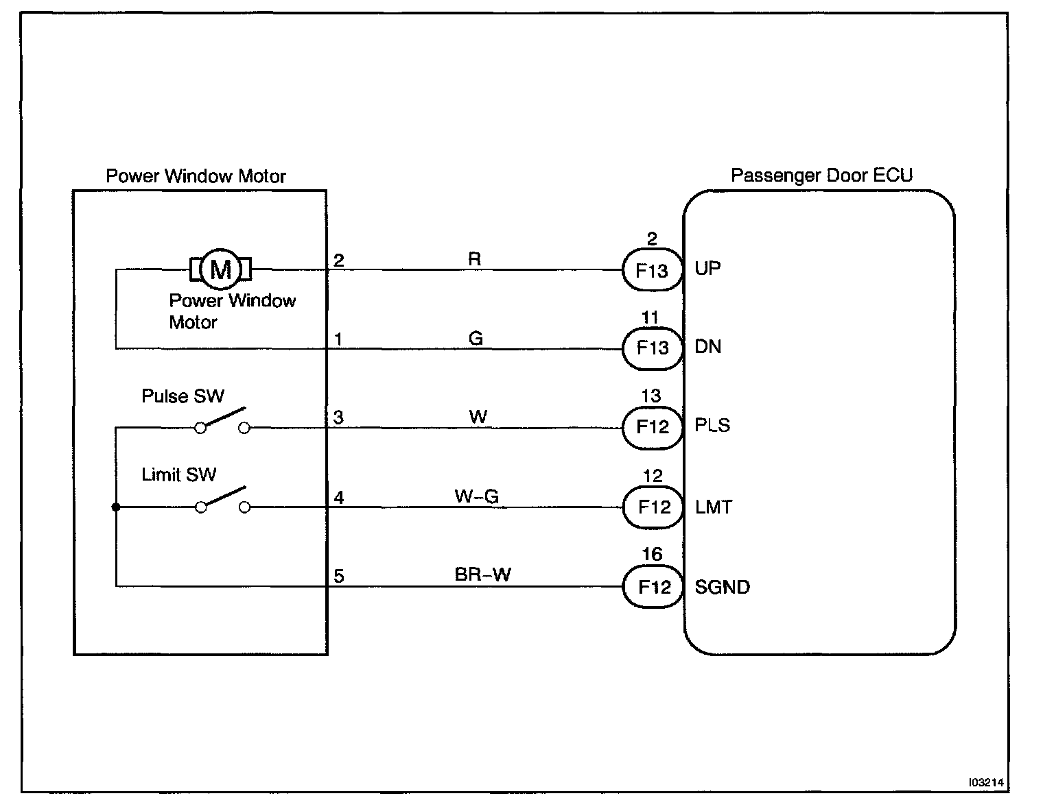
Jam Protection Limit Switch Circuit

CIRCUIT DESCRIPTION
Jam protection limit switch is built-in the power window motor. This switch functions to turn "OFF" before the top dead center, and ECU reads this "OFF" signal resulting in closing the window fully.

Wiring Diagram:






Steps 1 - 3:




INSPECTION PROCEDURE

HINT: In case of using the LEXUS hand-held tester, start the inspection from step 1 and in case of not using the LEXUS hand-held tester, start from step 2.