Curiosii for ever!
: Car repair manuals for everyone.
Home
>>
Lexus
>>
2001
>>
ES 300 V6-3.0L (1MZ-FE)
>>
Repair and Diagnosis
>>
Diagrams
>>
Exploded Views
>>
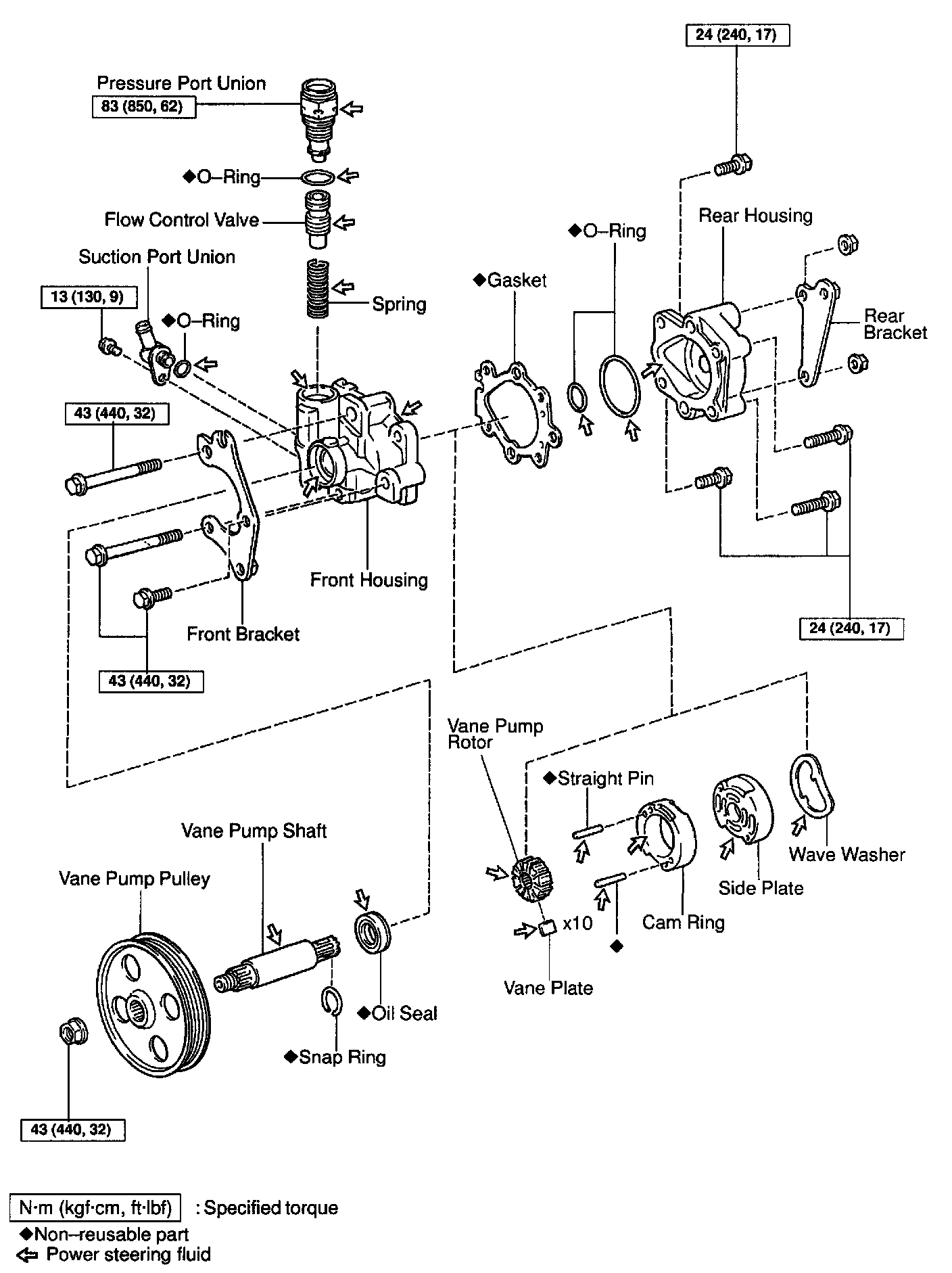
Power Steering Pump
Power Steering Pump
POWER STEERING VANE PUMP REPLACEMENT AND OVERHAUL W/ RELATED COMPONENTS
Part 1 of 2
Part 2 of 2