Curiosii for ever!
: Car repair manuals for everyone.
Home
>>
Lexus
>>
2001
>>
ES 300 V6-3.0L (1MZ-FE)
>>
Repair and Diagnosis
>>
Diagrams
>>
Exploded Views
>>
Engine
>>
System Diagram
System Diagram
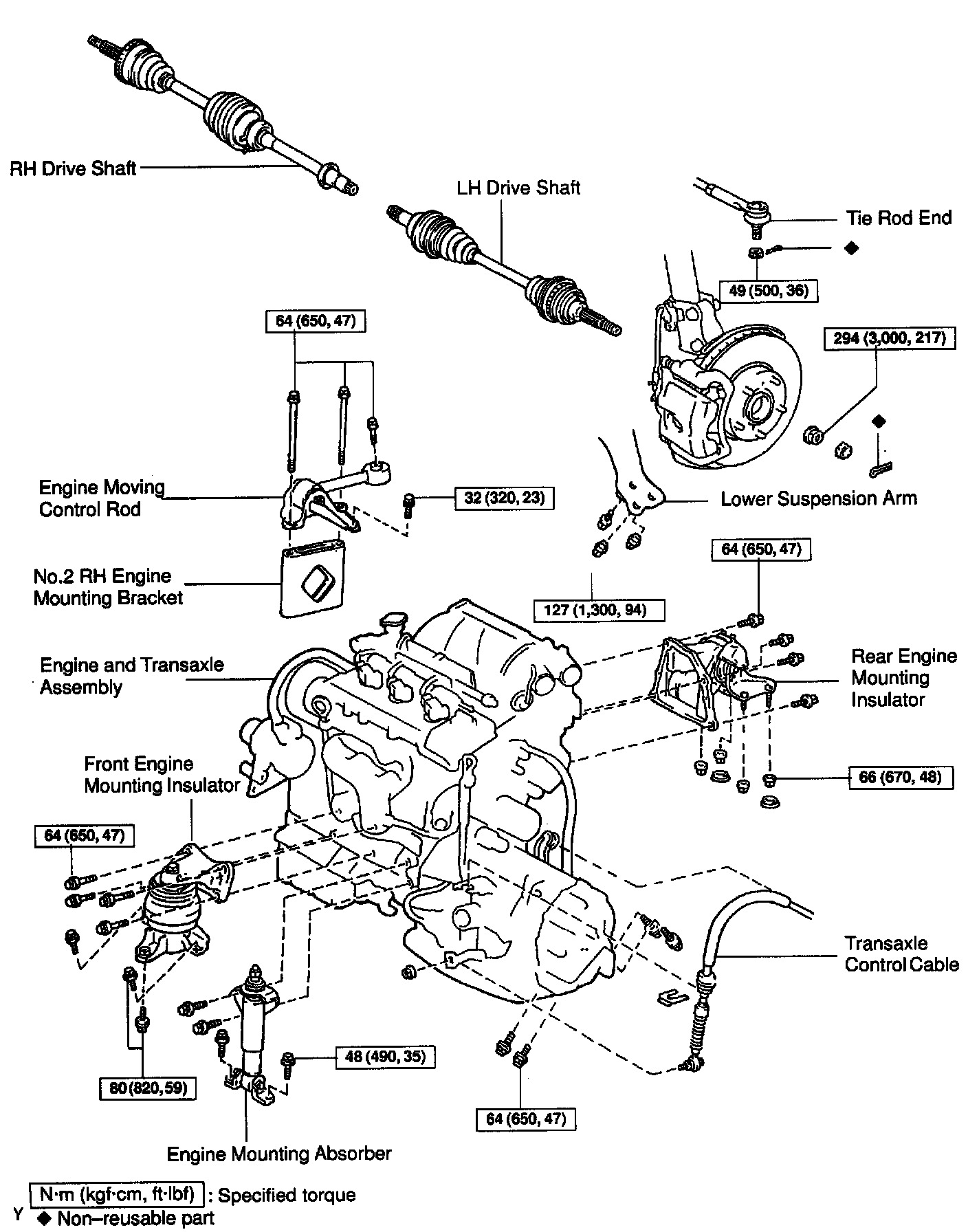
ENGINE UNIT REPLACEMENT W/ RELATED COMPONENTS
Part 1 of 2
Part 2 of 2