Curiosii for ever!
: Car repair manuals for everyone.
Home
>>
Lexus
>>
2000
>>
SC 400 V8-4.0L (1UZ-FE)
>>
Repair and Diagnosis
>>
Starting and Charging
>>
Charging System
>>
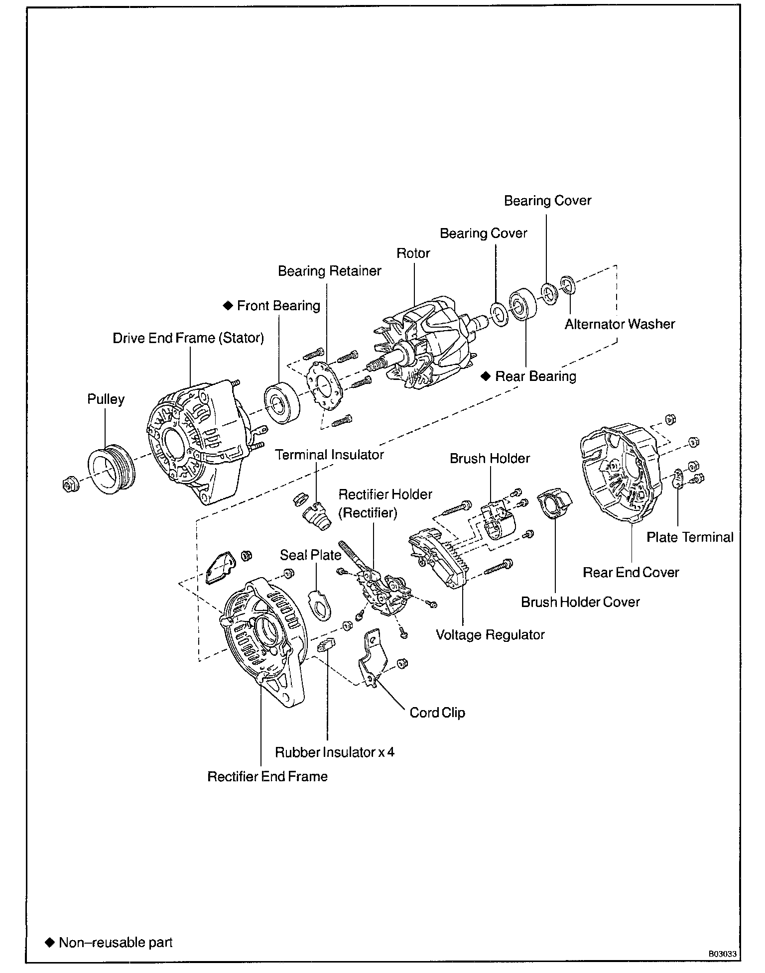
Alternator
>>
Locations
Alternator: Locations