Curiosii for ever!: Car repair manuals for everyone.

Power Seat Switch Circuit

Driver's Side

CIRCUIT DESCRIPTION
When the power seat switch is operated, a signal is sent from the power seat switch to the ECU and the ECU sends a signal to the motor to make it operate (except for the lumbar support).

Even if a malfunction should occur with the position sensor and return operation is prohibited, manual operation will occur as normal.

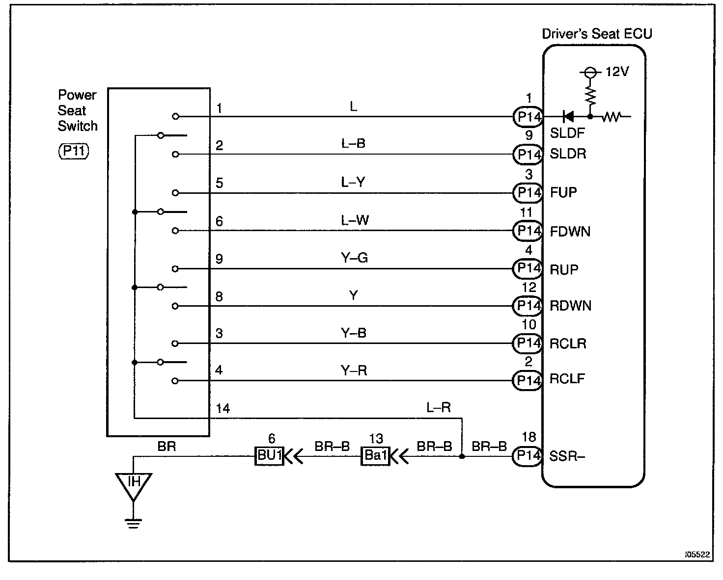
Wiring Diagram:






Step 1 - 2:




Step 3:




INSPECTION PROCEDURE