Curiosii for ever!
: Car repair manuals for everyone.
Home
>>
Lexus
>>
2000
>>
SC 400 V8-4.0L (1UZ-FE)
>>
Repair and Diagnosis
>>
Accessories and Optional Equipment
>>
Memory Positioning Systems
>>
Testing and Inspection
>>
Power Seat Control System
>>
Component Tests and General Diagnostics
>>
Motor Circuit
Motor Circuit
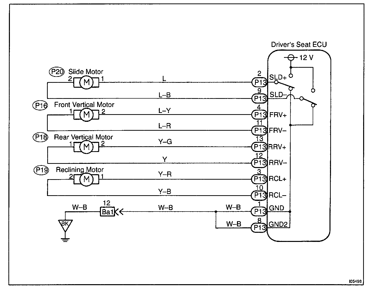
Driver's Side
CIRCUIT DESCRIPTION
The driver's seat ECU controls the 4 motors for slide, front vertical, rear vertical and reclining.
Wiring Diagram:
Step 1 (Part 1 Of 2):
Step 1 (Part 2 Of 2):
Step 2:
INSPECTION PROCEDURE