Curiosii for ever!: Car repair manuals for everyone.

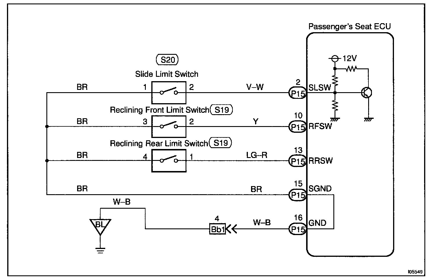
Limit Switch Circuit

Passenger's Side

CIRCUIT DESCRIPTION
Slide neutral limit switch: This switch is on when passenger's, seat is slid approx. 120 mm or more from the most back position.

Reclining front limit switch: This switch is on, when passenger's seat back is reclining forward.

Reclining rear limit switch: When passenger's seat back returns upright, this is on.

Wiring Diagram:






Step 1 - 2:




Step 3 - 4:




INSPECTION PROCEDURE