Curiosii for ever!
: Car repair manuals for everyone.
Home
>>
Lexus
>>
2000
>>
GS 400 V8-4.0L (1UZ-FE)
>>
Repair and Diagnosis
>>
Powertrain Management
>>
Computers and Control Systems
>>
Knock Sensor
>>
Locations
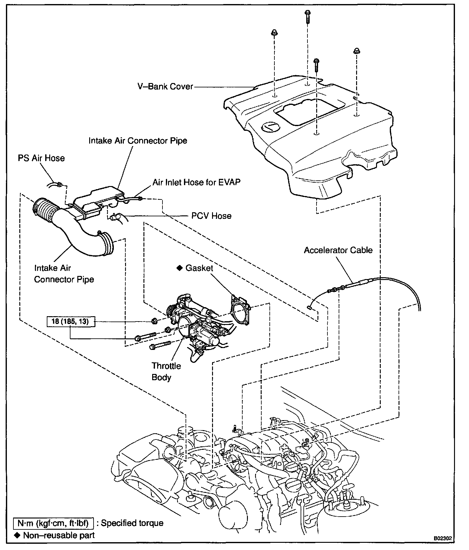
Knock Sensor: Locations
Knock Sensor Components:
Knock Sensor: