Curiosii for ever!: Car repair manuals for everyone.

Camshaft Position Sensor: Service and Repair




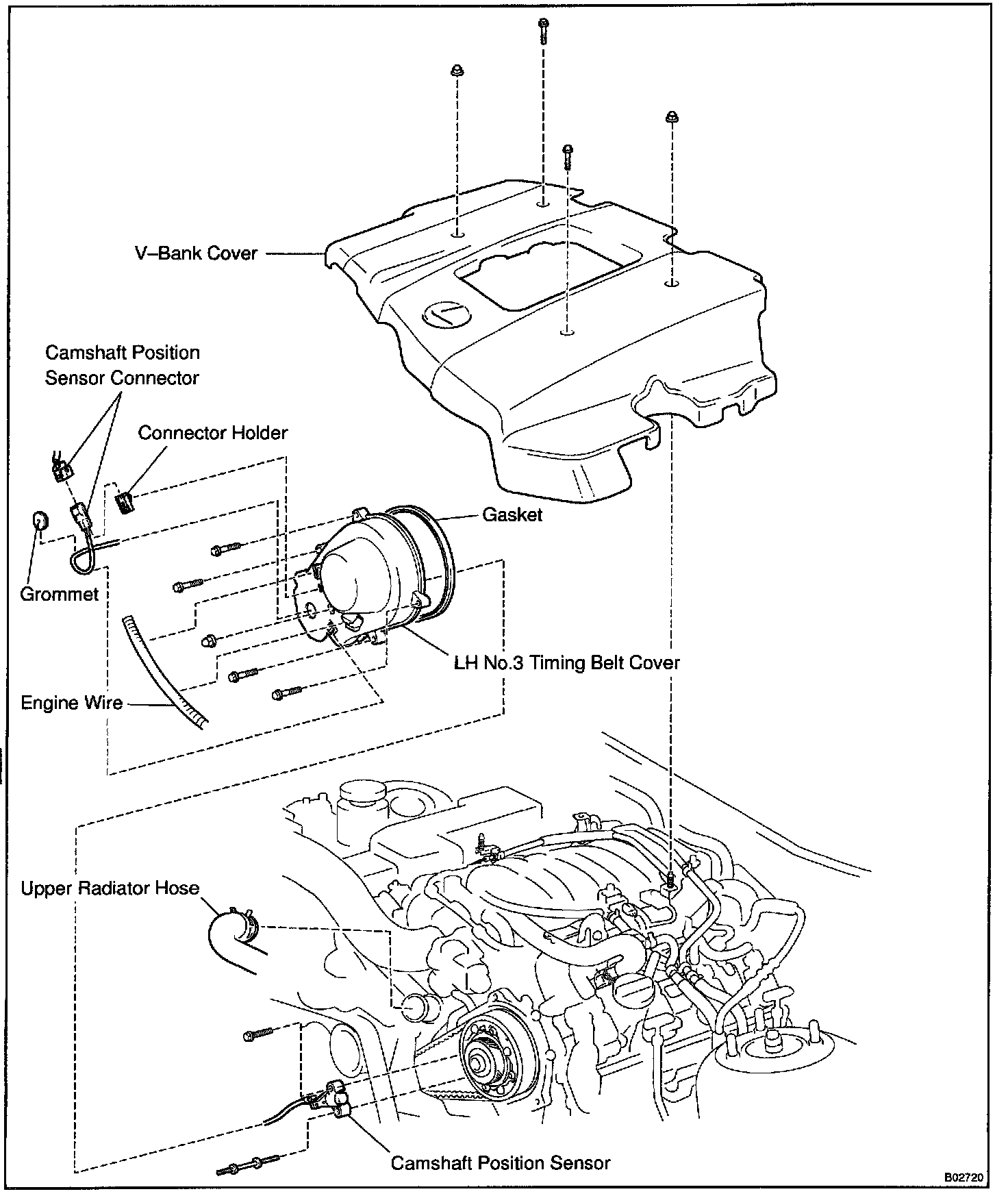
COMPONENTS

REPLACEMENT

1. REMOVE V-BANK COVER
2. DRAIN ENGINE COOLANT
3. DISCONNECT UPPER RADIATOR HOSE FROM FRONT WATER BYPASS JOINT
4. REMOVE LH NO.3 TIMING BELT COVER




5. REMOVE CAMSHAFT POSITION SENSOR
Remove the bolt, stud bolt and camshaft position sensor.

6. REINSTALL NEW CAMSHAFT POSITION SENSOR
Install a new camshaft position sensor with the bolt and stud bolt.

Torque: 7.5 Nm (80 kg.cm, 66 in.lb)

7. REINSTALL LH NO.3 TIMING BELT COVER
8. RECONNECT UPPER RADIATOR HOSE TO FRONT WATER BYPASS JOINT
9. REFILL WITH ENGINE COOLANT
10. START ENGINE AND CHECK FOR ENGINE COOLANT LEAKS
11. REINSTALL V-BANK COVER