Curiosii for ever!
: Car repair manuals for everyone.
Home
>>
Lexus
>>
2000
>>
GS 400 V8-4.0L (1UZ-FE)
>>
Repair and Diagnosis
>>
Powertrain Management
>>
Computers and Control Systems
>>
Body Control Module
>>
Testing and Inspection
>>
Component Tests and General Diagnostics
>>
Wireless Door Lock Buzzer Circuit
Wireless Door Lock Buzzer Circuit
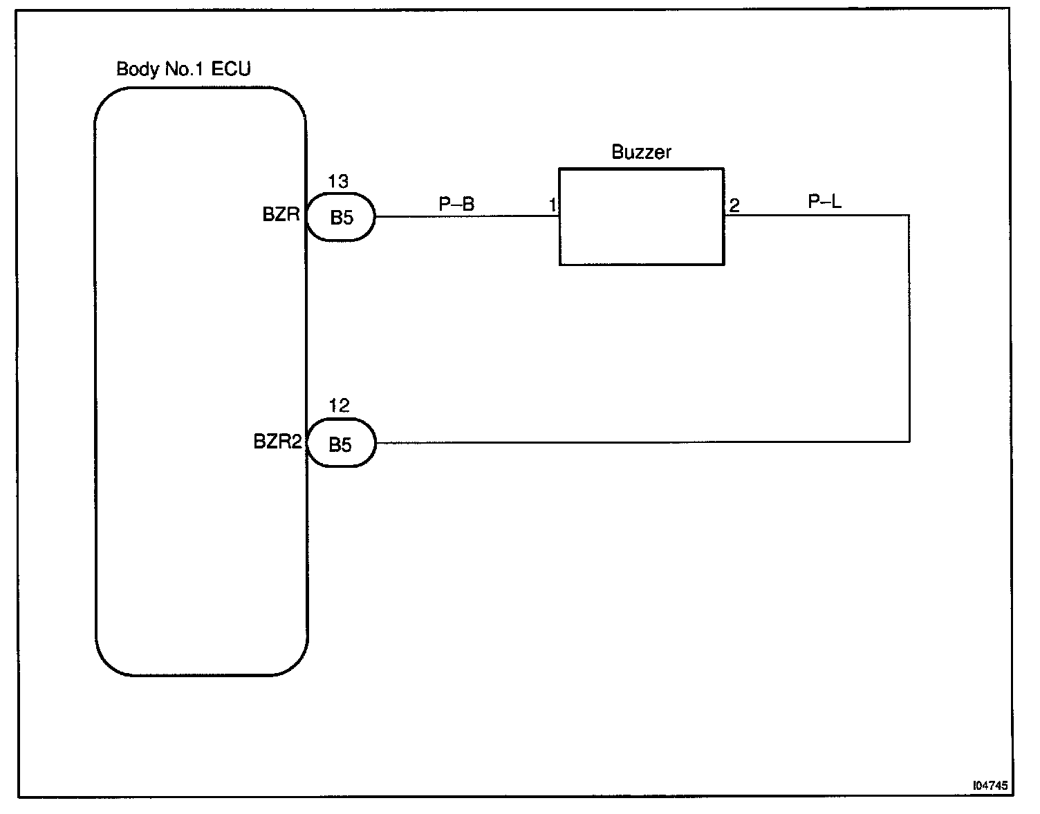
Wireless Door Lock Buzzer Circuit / Body No.1 ECU
Wiring Diagram:
Steps 1 - 3:
INSPECTION PROCEDURE