Curiosii for ever!: Car repair manuals for everyone.

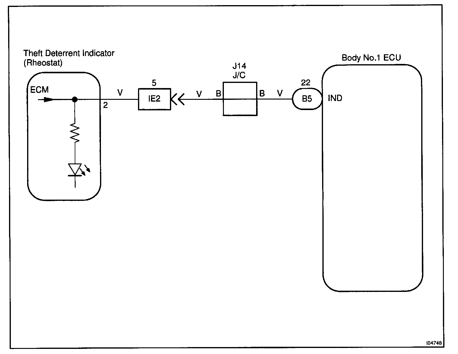
Theft Deterrent Indicator Circuit

Theft Deterrent Indicator Circuit / Body No.1 ECU

CIRCUIT DESCRIPTION
When the theft deterrent system is preparing to set, this circuit lights up the indicator light. When the system has been set, it continually turns the indicator light on for 1 second and turns it off for 1 second, thus blinking the indicator light.

This theft deterrent indicator is connected to the ECM and outputs the key judgment of the immobilizer.

Wiring Diagram:






Steps 1 - 3:




INSPECTION PROCEDURE