Curiosii for ever!: Car repair manuals for everyone.

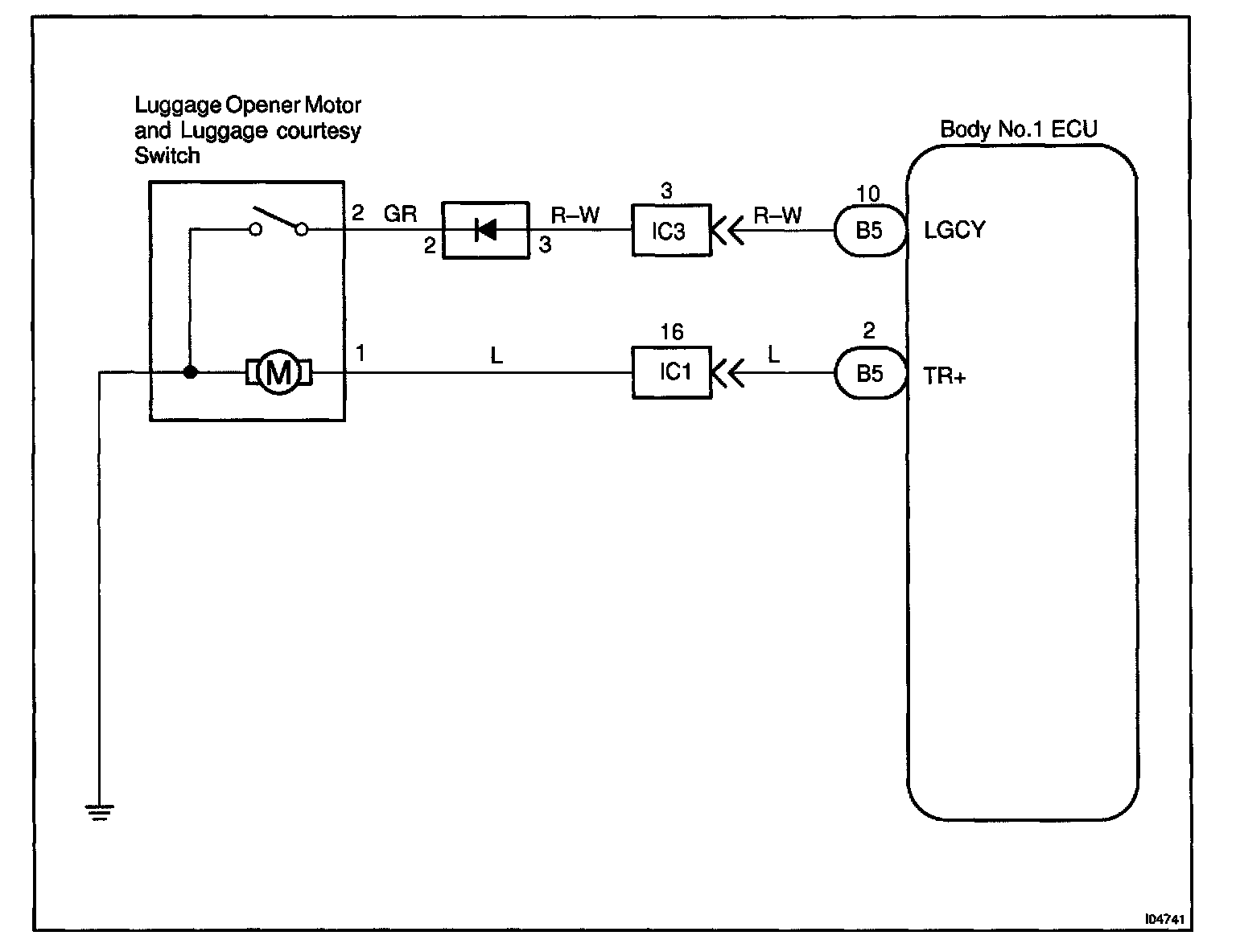
Luggage Courtesy Switch Circuit

Luggage Courtesy Switch Circuit / Body No.1 ECU

CIRCUIT DESCRIPTION
The luggage courtesy switch goes on when luggage compartment door is opened and goes off when luggage compartment door is closed.

Wiring Diagram:






Steps 1 - 3:




INSPECTION PROCEDURE