Curiosii for ever!
: Car repair manuals for everyone.
Home
>>
Lexus
>>
2000
>>
GS 400 V8-4.0L (1UZ-FE)
>>
Repair and Diagnosis
>>
Powertrain Management
>>
Computers and Control Systems
>>
Body Control Module
>>
Testing and Inspection
>>
Component Tests and General Diagnostics
>>
Hazard Switch Circuit
Hazard Switch Circuit
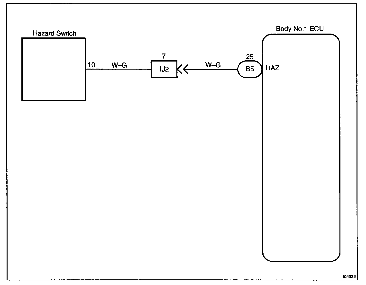
Hazard Switch Circuit / Body No.1 ECU
CIRCUIT DESCRIPTION
Body No.1 ECU activates the flasher relay during warning of the theft deterrent system and flashers the hazard.
Wiring Diagram:
Steps 1 - 3:
INSPECTION PROCEDURE