Curiosii for ever!
: Car repair manuals for everyone.
Home
>>
Lexus
>>
2000
>>
GS 400 V8-4.0L (1UZ-FE)
>>
Repair and Diagnosis
>>
Diagrams
>>
Exploded Views
>>
Engine
>>
Timing Belt
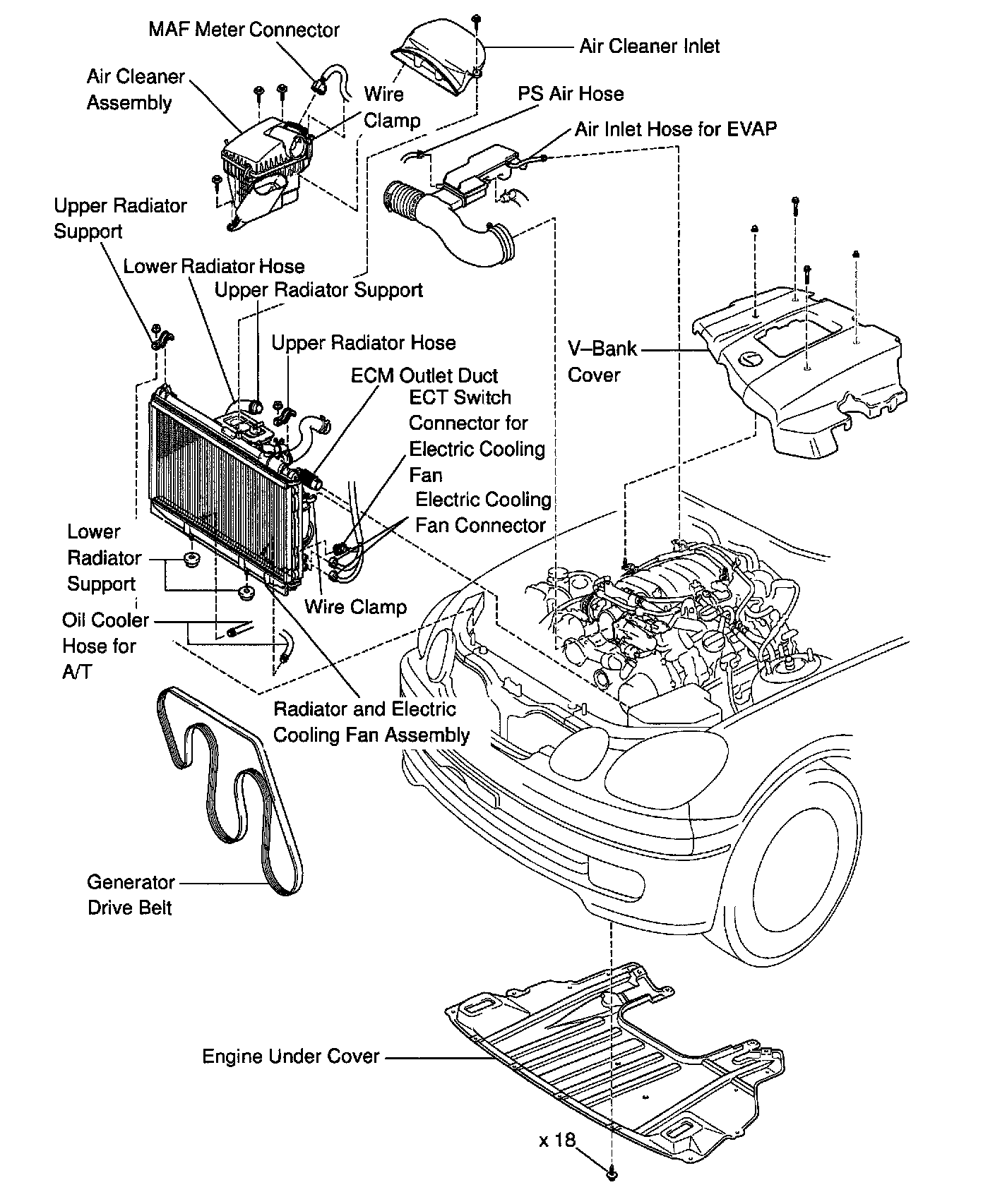
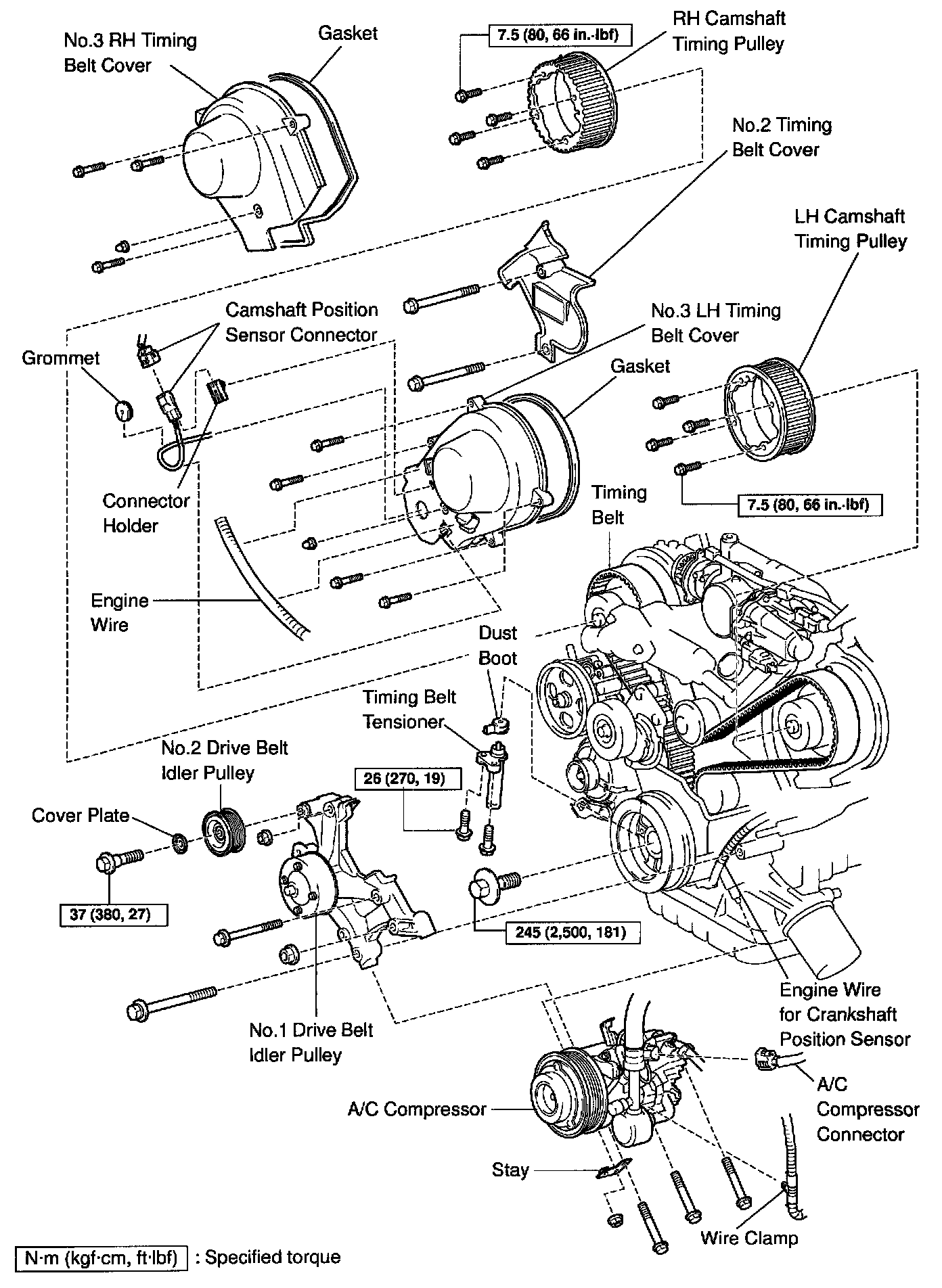
Timing Belt
TIMING BELT
REPLACEMENT W/ RELATED COMPONENTS
Part 1 of 3
Part 2 of 3
Part 3 of 3