Curiosii for ever!: Car repair manuals for everyone.

System Diagram

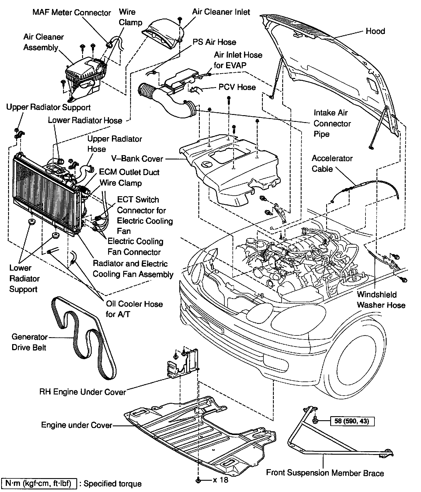
ENGINE UNIT REPLACEMENT W/ RELATED COMPONENTS

Various Engine Related Components:





Part 1 of 5

ECM Cover And Connectors:





Part 2 of 5

Various Hose, Cables, And Wires:





Part 3 of 5

Exh. System, P/S Pump, A/C Comp., Steering Rack, Drive Shaft:





Part 4 of 5

Engine, Transmission, Flex Plate, Oil Cooler Lines:





Part 5 of 5