Curiosii for ever!: Car repair manuals for everyone.

Cylinder Head Assembly

CYLINDER HEAD REPLACEMENT AND OVERHAUL W/ RELATED COMPONENTS

Radiator, Air Cleaner Assb., TWC (LH And RH):





Part 1 of 9

Throttle Body, Int. Manifold Assb., Related Wiring Harnesses:





Part 2 of 9

Intake Manifold Assembly, Vacuum Tank Assb. For ACIS:





Part 3 of 9

Intake Manifold Assb., Fuel Injectors And Related Components:





Part 4 of 9

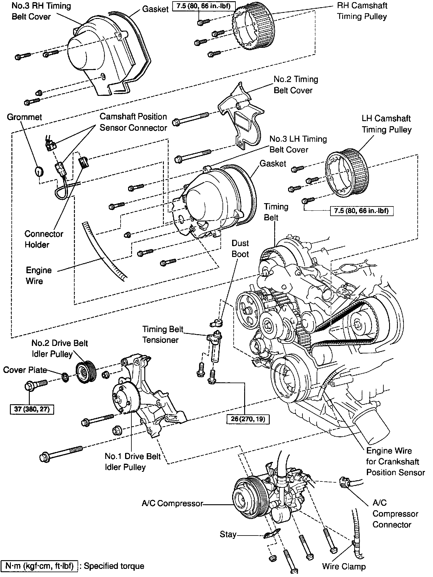
Timing Belt And Related Components:





Part 5 of 9

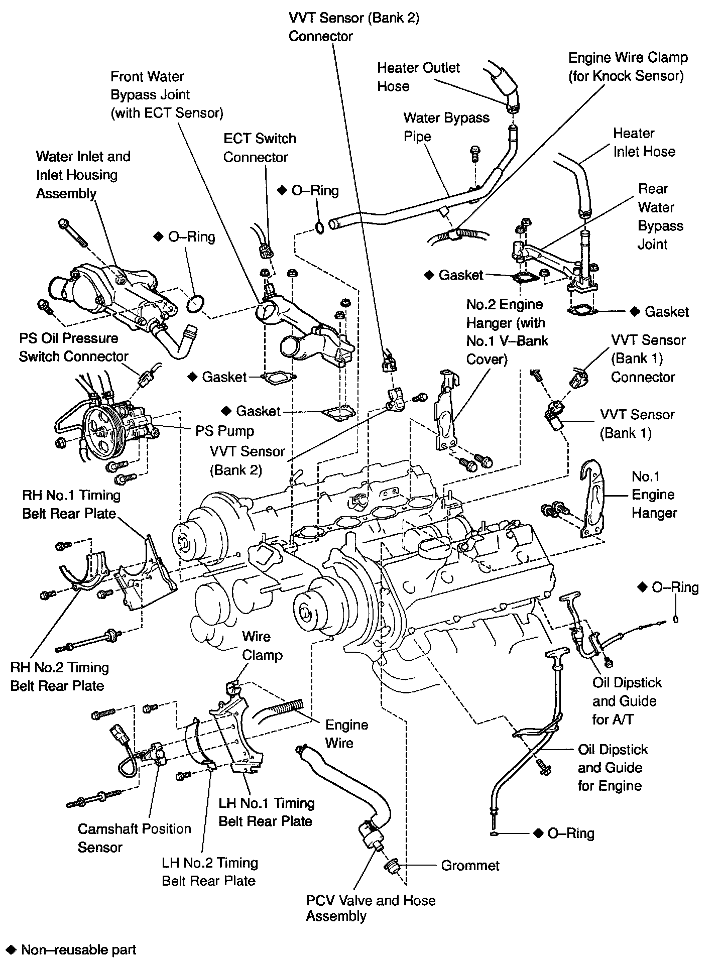
Hoses, Switches, Sensors, And Various Components:





Part 6 of 9

Cylinder Heads (RH And LH), And Related Components:





Part 7 of 9

Camshafts,and VVTi:





Part 8 of 9

Cylinder Heads (LH And RH), And Exhaust Manifolds (LH And RH):





Part 9 of 9