Curiosii for ever!
: Car repair manuals for everyone.
Home
>>
Lexus
>>
2000
>>
GS 400 V8-4.0L (1UZ-FE)
>>
Repair and Diagnosis
>>
Body and Frame
>>
Body Control Systems
>>
Testing and Inspection
>>
Component Tests and General Diagnostics
>>
Driver Door Control System
>>
Power Window Motor Circuit
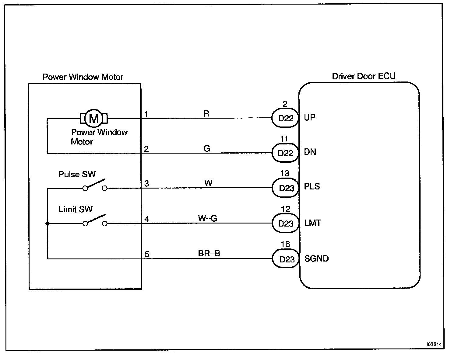
Power Window Motor Circuit
Wiring Diagram:
Steps 1 - 3:
INSPECTION PROCEDURE