Curiosii for ever!: Car repair manuals for everyone.

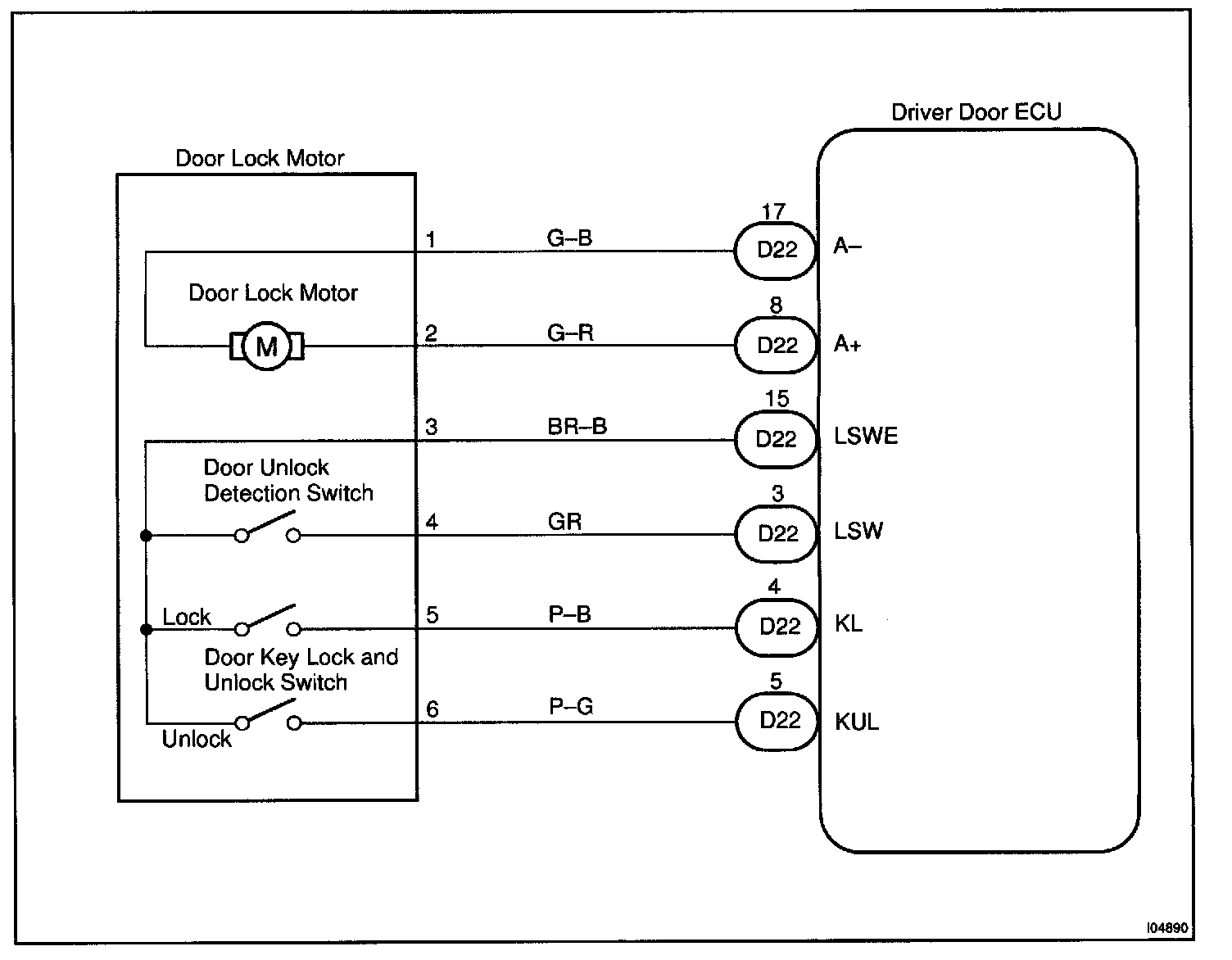
Door Unlock Detection Switch Circuit

CIRCUIT DESCRIPTION
The door unlock detection switch is built in the door lock motor assembly. This switch is ON when the door lock knob is in the unlock position and OFF when the lock knob is in the lock position. The ECU detects the door lock knob conditions is this circuit. It is used as one of the operating conditions for the key confinement prevention function

Wiring Diagram:






Steps 1 - 3:




INSPECTION PROCEDURE