Curiosii for ever!: Car repair manuals for everyone.

Global Positioning System Module: Testing and Inspection

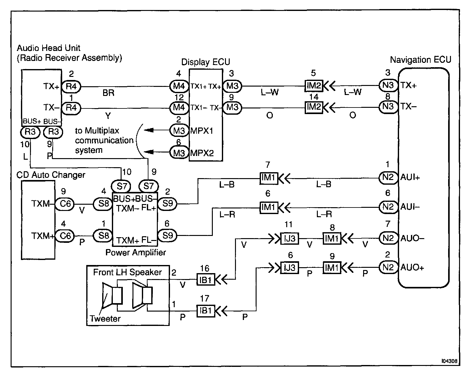
AVC - LAN:




CIRCUIT DESCRIPTION
Each unit of LEXUS navigation system connected with AVC-LAN (communication bus) transfers the signal of each switch by communication.

When +B short and GND short occur in this AVC-LAN, LEXUS navigation system will not function normally as the communication is discontinued.

In this AVC-LAN, Navigation ECU becomes the master of the communication, and the audio head unit has a resistance necessary for transmitting the communication.

Display ECU is connected between Navigation ECU and Audio head unit, LEXUS navigation system has the structure that makes communication impossible without Navigation ECU, Display ECU or Audio head unit.






Step 1:




Steps 2 - 3:




Steps 4 - 6:




Step 7:




Step 8:




INSPECTION PROCEDURE