Curiosii for ever!
: Car repair manuals for everyone.
Home
>>
Lexus
>>
2000
>>
GS 300 L6-3.0L (2JZ-GE)
>>
Repair and Diagnosis
>>
Powertrain Management
>>
Computers and Control Systems
>>
Body Control Module
>>
Testing and Inspection
>>
Component Tests and General Diagnostics
>>
Mirror Switch Circuit
Mirror Switch Circuit
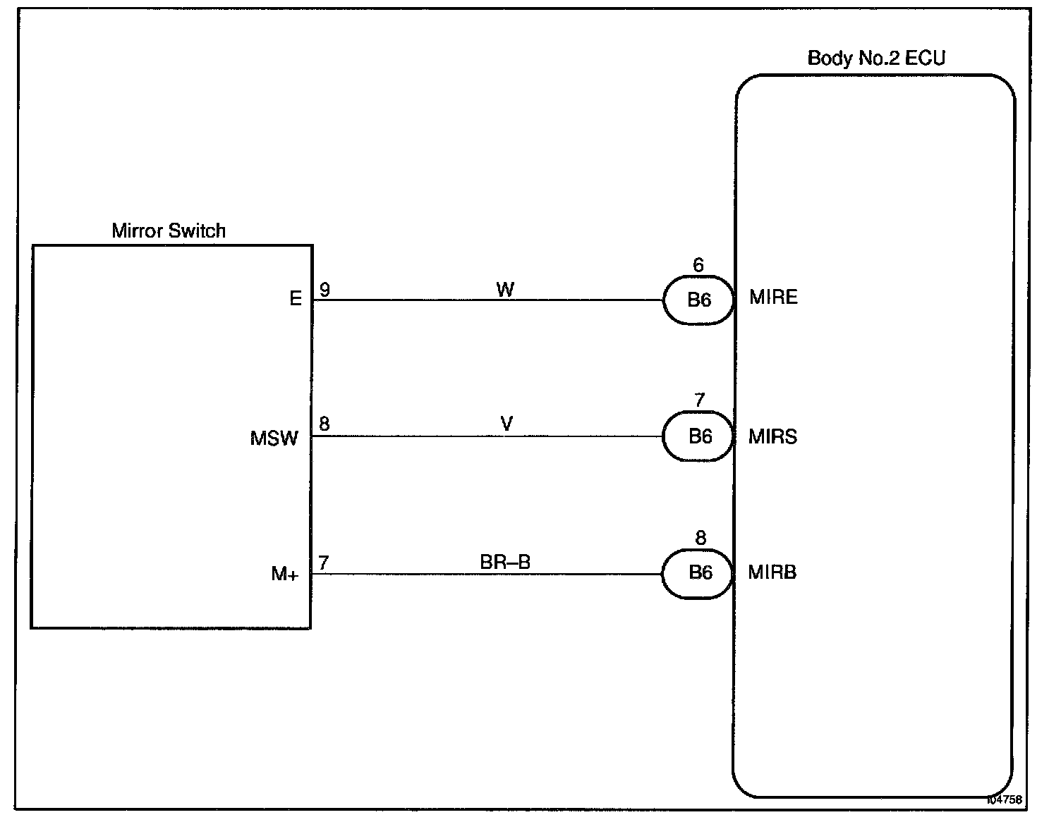
Mirror Switch Circuit / Body No.2 ECU
CIRCUIT DESCRIPTION
This circuit detects the conditions of the mirror selection switch and the mirror position switch.
Wiring Diagram:
Steps 1 - 3:
INSPECTION PROCEDURE