Lamp Failure Sensor Circuit
Lamp Failure Sensor Circuit / Body No.2 ECUCIRCUIT DESCRIPTION
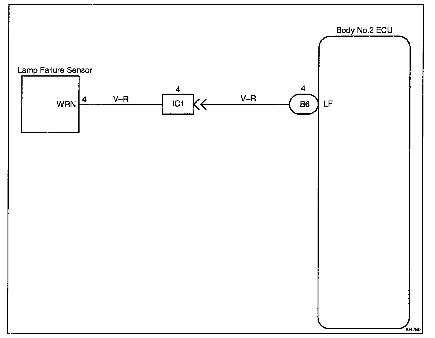
Lamp failure sensor detects a wire break of the stop light, high mount stop light and tail light and sends that signal to the Body No. 2 ECU.
Wiring Diagram:
Steps 1 - 2:
INSPECTION PROCEDURE